EasyManua.ls Logo

Shark 600 - Fuel System

Shark 600
181 pages
Print Icon
To Next Page IconTo Next Page
To Next Page IconTo Next Page
To Previous Page IconTo Previous Page
To Previous Page IconTo Previous Page
Loading...
FLIGHT MANUAL
SHARK 600
Section 7
Airplane Description
2024-02-23
Rev. C
Doc. No.: SHARK600_MA_075
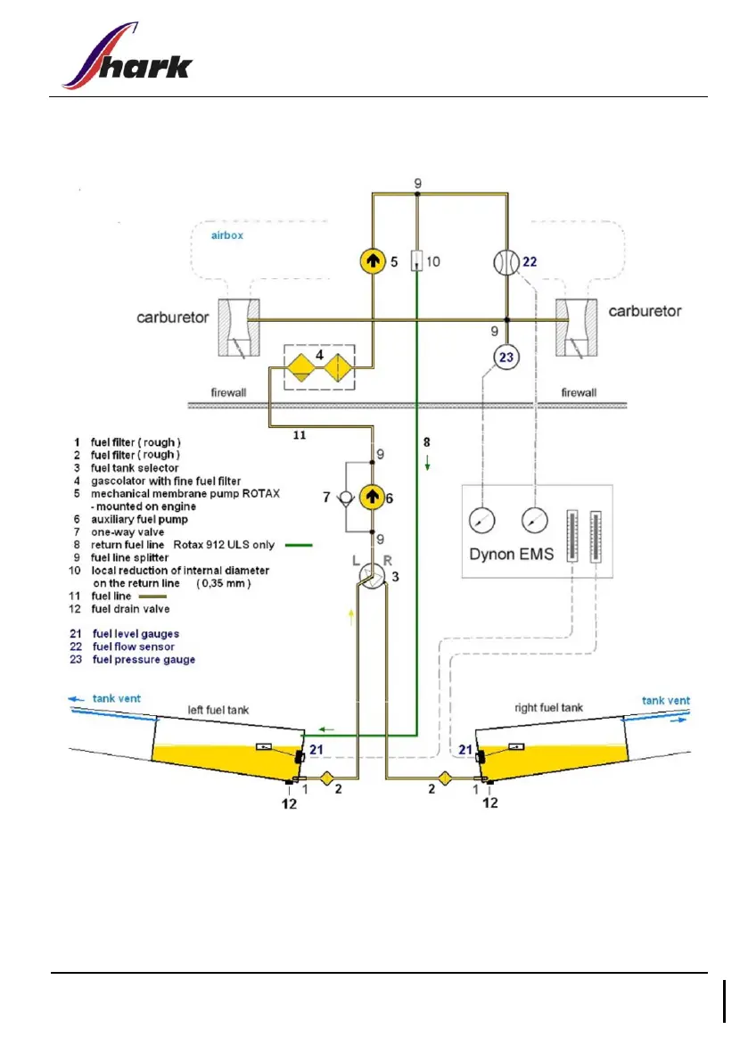
7.6 Fuel system

Table of Contents

Related product manuals