EasyManua.ls Logo

Sharp UX-177 - Page 60

Sharp UX-177
100 pages
Print Icon
To Next Page IconTo Next Page
To Next Page IconTo Next Page
To Previous Page IconTo Previous Page
To Previous Page IconTo Previous Page
Loading...
6 – 8
1
2
6
4
3
5
BDEFG
I
HCA
BDEFG
I
HCA
1
2
6
4
3
5
+
+
+
+
PC3
TLP521
T1
Z2140
CNLNJ-2
CNLNJ-4
B-WIRE
D1
1SS131
ZD3
MTZJ30B
+5V
R2
10K (1W)
R1
110K
(1/2W)
EARTH
CML
PC1
TLP627
Q103
RNC1402
R104
10K
C118
0.1
VREF
ZD12
HZS3B1
ZD11
HZS3B1
R128
20K
TLJ-1
DG
CNLNJ-3
SHUNT
A-WIRE
AGD
EARTH
TLJ-2
A-WIRE
ZD5
MTZJ3R9B
ZD4
MTZJ3R9B
R3
100
(1/2W)
8
6
10
3
5
TLJ-3
B-WIRE
TLJ-4
SHUNT
SP1
PC2
TLP620
R102
0
R101
91
C1
47/10 N.P.
ZD1
HZS3B1
ZD2
HZS3B1
C8
1.8
VREF
+24VA
C116
0.022
DG
R130
130K
C115
N.M.
VREF
R131
62K
C117
1000P
ZD15
HZS3B1
ZD16
HZS3B1
+24V
CML
Q101
RNC1402
DG
7
6
5
IC102
4558
+24VA
R154
2K
R153
240
R160
10K
Q115
2SJ106
R162
130K
C131
680P
VREF-A
VREF-A
VREF
C21
1/50
R164
20K
IC104
4053
13
12
6
5
7
+5V
DG
6
7
8
1
2
16
10
15
IC104
4053
+24VA
DG
DG DG
R159
20K
R158
20K
C134
0.022
C19
10/50
2
3
4
8
1
IC103
4558
VREF-A
CNLIUB-5
CNLIUB-1
SIGTX
MPXA
CNLIUA-4
CML
(2-5A)
(2-5A)
(2-4A)
(2-5I)
(2-5I)
R129
20K
IC102
4558
DG
2
3
1
8
4
R132
20K
IC103
4558
S
D3
1SS133
TEL1
TEL2
A
TEL3
12
AR1
RA-501P-V6-2
AR2
RA-501P-V6-2
JP9
JP10
CML
2
3
SW1
D2
1SS82
C146
1
ZD13
HZS3B1
ZD14
HZS3B1
1
0
11
14
R156
560
C126
N.M.
R157
1.6K
VREF-A
R161
0
C130
C129
N.M.
R133
20K
C14
1/50
C15
1/50
R134
20K
IC104
4053
3
5
1
0
9
4
CNLIUB-2
SIGRX
DGDG DG
C20
10/50
CNLNJ-1
JP4
JP3
JP2
JP1
JP6
JP5
1
VREF
CNLIUB-3
C127
N.M.
G6GN-2D
7
B
N.M.
L1
DG DG
CI
CNLIUA-5
SP1
U. K.
IRISH
123
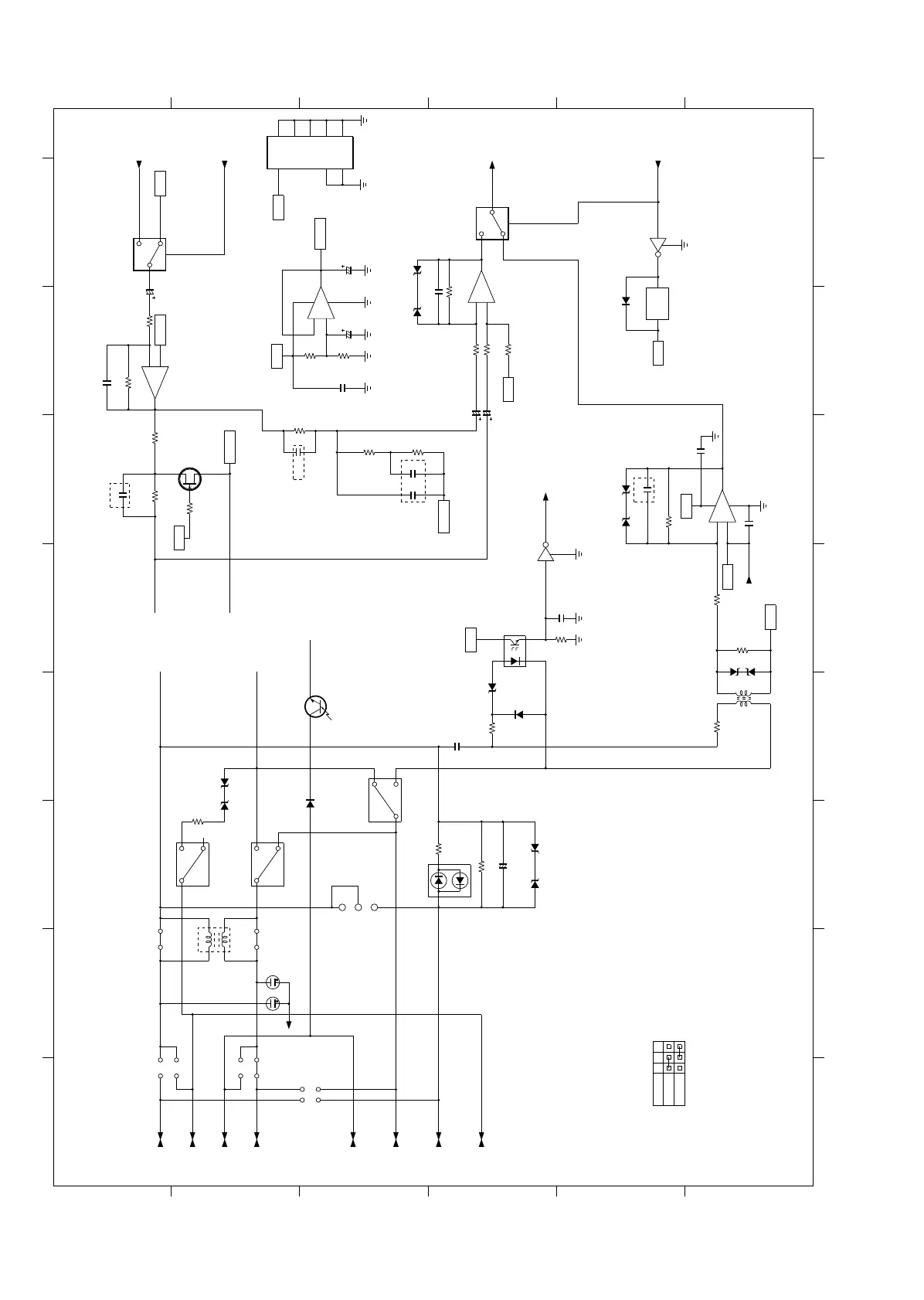
[2] TEL/LIU PWB circuit
1/3
UX-177H

Related product manuals