EasyManua.ls Logo

Sharp UX-177 - Page 62

Sharp UX-177
100 pages
Print Icon
To Next Page IconTo Next Page
To Next Page IconTo Next Page
To Previous Page IconTo Previous Page
To Previous Page IconTo Previous Page
Loading...
6 – 10
1
2
6
4
3
5
BDEFG
I
HCA
BDEFG
I
HCA
1
2
6
4
3
5
+5V
CNLIUA-2
DG
C132
223C
CNSP-1
CNSP-2
SP–
SP+
DG
C6
22/50
+5V
CNLIUA-7
SPMUTE
R107
3K
C2
4.7/50
C3
1/50
C101
560P
R106
75K
IC101
NJM2113M
4
2
3
5
+
6
1
8
7
CNLIUA-3
+24V
DG DG DG DG
C4
100/16
R105
100K
+5V
PC9
TLP521
R163
470
DG
HS1
CNLIUB-10
DG
Q105
RNC1402
+5V
PC2
TLP620
E-RLY
CNLIUA-6
DG
Q102
RNC1402
+5V
PC1
TLP627
R103
470
TELMUTE
CNLIUB-7
DG
Q107
RNC1402
PC6
TLP521
R126
470
DPMUTE
CNLIUB-8
DG
Q108
RNC1402
PC7
TLP521
R127
470
RECMUTE
CNLIUB-9
DG
Q114
RNC1402
PC8
TLP521
R155
470
DPON
CNLIUB-6
DG
Q106
RNC1402
PC5
TLP521
R125
470
CNLIUB-11
DG
PC4
TLP521
C5
47/25
+24V
CNLIUA-1
+5V
C133
223C
SW1
C102
0
CNLIUA-8
PSNS
CNLIUB-4
+5V
R169
220
DG
PE1
RPI-574
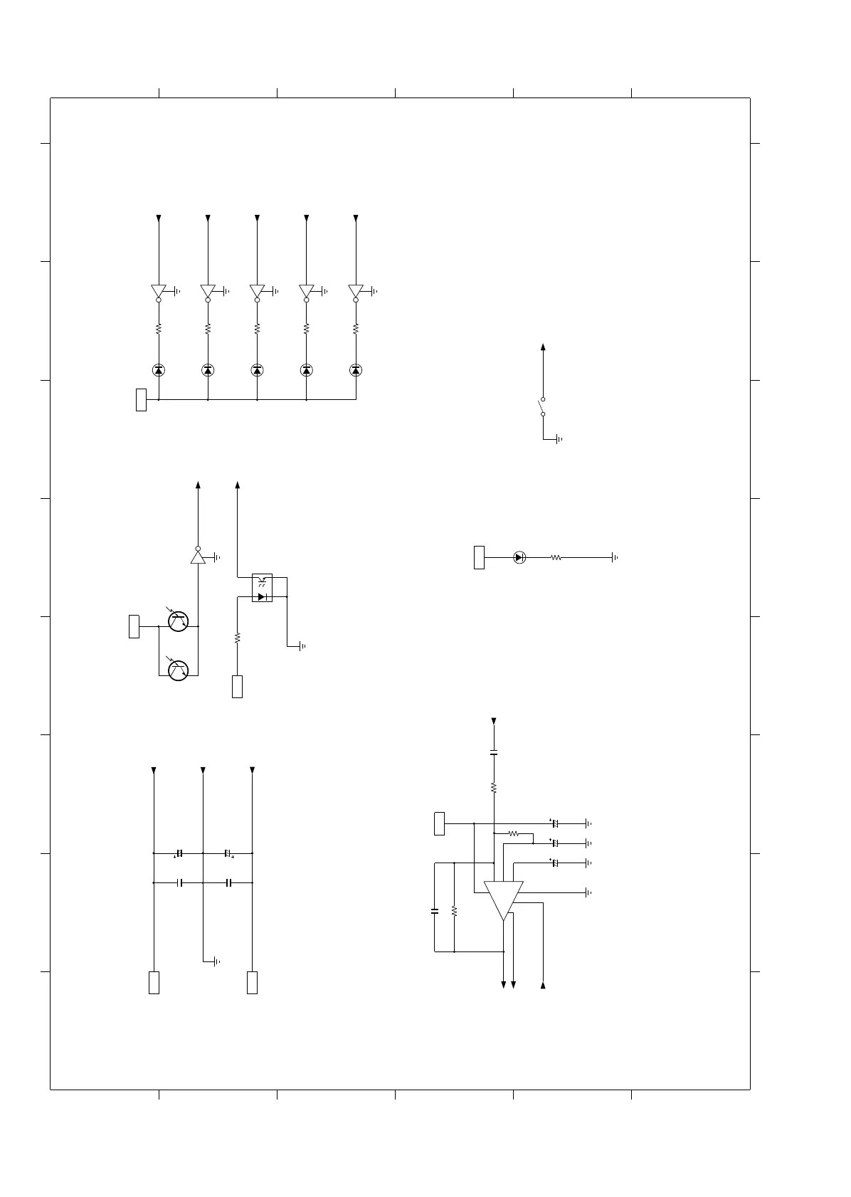
[2] TEL/LIU PWB circuit
3/3
UX-177H

Related product manuals