EasyManua.ls Logo

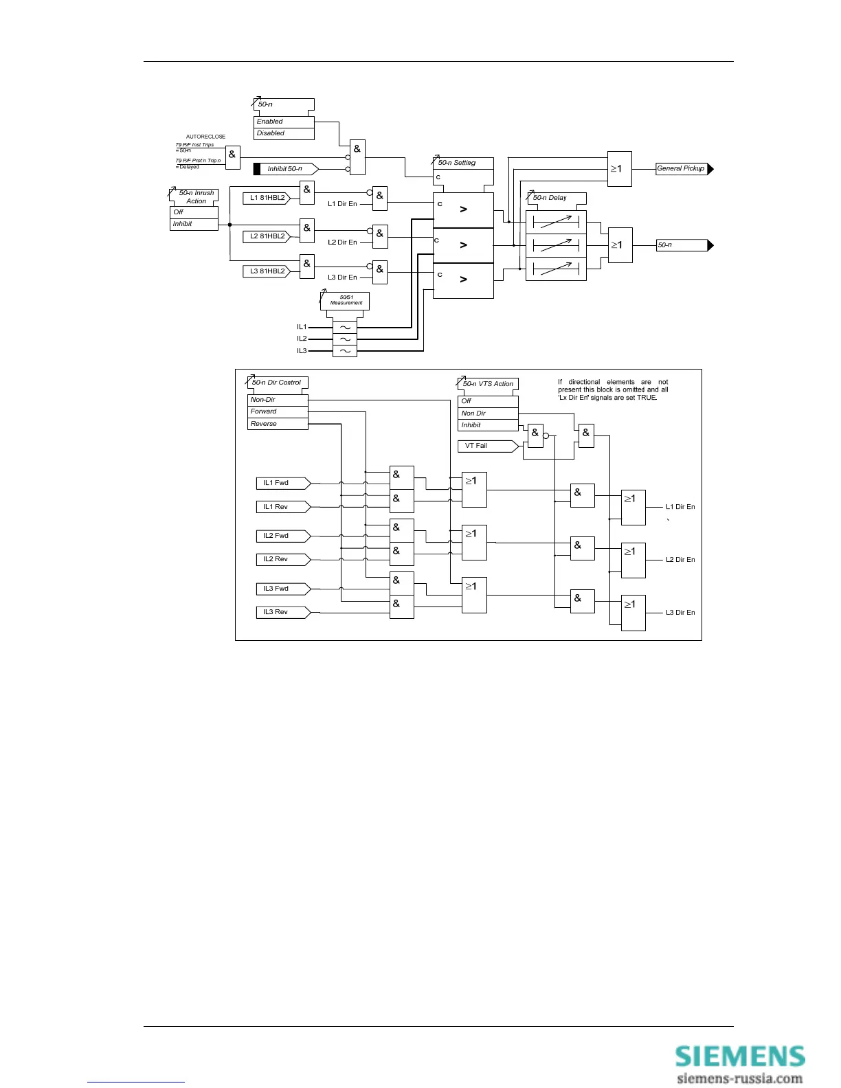
Siemens 7SR11 - Time Delayed Overcurrent Protection (51); Figure 1-25 Logic Diagram: Instantaneous Over-Current Element

Siemens 7SR11
76 pages
To Next Page IconTo Next Page
To Next Page IconTo Next Page
To Previous Page IconTo Previous Page
To Previous Page IconTo Previous Page
Loading...
7SR11 & 7SR12 Description Of Operation
©2012 Siemens Protection Devices Limited Chapter 1 Page 28 of 76
Figure 1-25 Logic Diagram: Instantaneous Over-current Element
3.1.3 Time Delayed Overcurrent Protection (51)
Two time delayed overcurrent elements are provided in the 7SR11 relay and four elements are provided in the
7SR12 relay.
51-1, 51-2, (51-3 & 51-4 – 7SR12)
51-n Setting sets the pick-up current level. Where the voltage controlled overcurrent function (51VCO) is used a
multiplier is applied to this setting where the voltage drops below the setting VCO Setting, see Section 3.2.
A number of shaped characteristics are provided. An inverse definite minimum time (IDMT) characteristic is
selected from IEC, ANSI or user specific curves using 51-n Char. A time multiplier is applied to the characteristic
curves using the 51-n Time Mult setting. Alternatively, a definite time lag delay (DTL) can be chosen using 51-n
Char. When Definite Time Lag (DTL) is selected the time multiplier is not applied and the 51-n Delay (DTL)
setting is used instead. The full list of operating curves is given in Chapter 2 – ‘Settings and Instruments Guide’.
Operating curve characteristics are illustrated in Chapter 3 – ‘Performance Specification’.
The 51-n Reset setting can apply a definite time delayed reset, or when the operation is configured as an IEC or
ANSI or user characteristic if the reset is selected as (IEC/ANSI) DECAYING reset the associated reset curve will
be used. The reset mode is significant where the characteristic has reset before issuing a trip output – see
‘Applications Guide’.

Table of Contents

Related product manuals