EasyManua.ls Logo

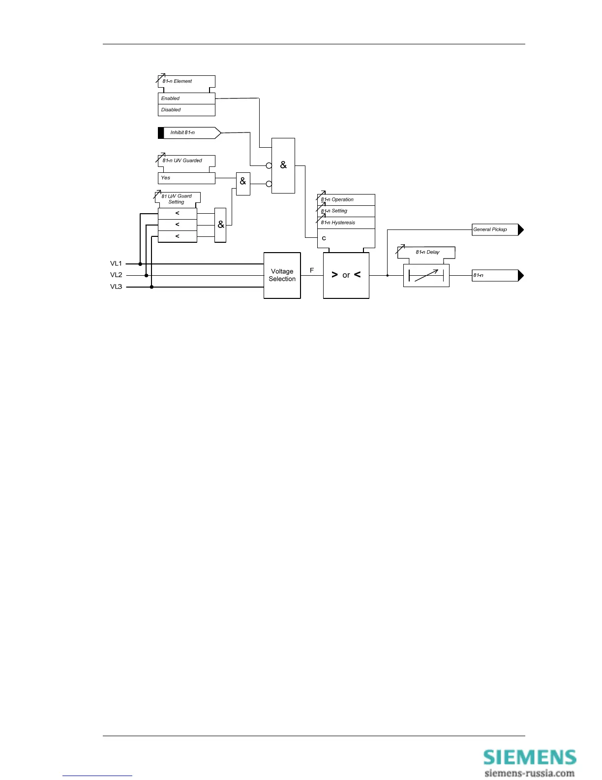
Siemens 7SR11 - Figure 1-52 Logic Diagram: Under;Over Frequency Detector (81)

Siemens 7SR11
76 pages
To Next Page IconTo Next Page
To Next Page IconTo Next Page
To Previous Page IconTo Previous Page
To Previous Page IconTo Previous Page
Loading...
7SR11 & 7SR12 Description Of Operation
©2012 Siemens Protection Devices Limited Chapter 1 Page 51 of 76
Figure 1-52 Logic Diagram: Under/Over Frequency Detector (81)

Table of Contents

Related product manuals