EasyManua.ls Logo

Siemens 7SR11 - Section 5: Supervision Functions; 5.1 Circuit Breaker Failure (50 BF)

Siemens 7SR11
76 pages
To Next Page IconTo Next Page
To Next Page IconTo Next Page
To Previous Page IconTo Previous Page
To Previous Page IconTo Previous Page
Loading...
7SR11 & 7SR12 Description Of Operation
©2012 Siemens Protection Devices Limited Chapter 1 Page 64 of 76
Section 5: Supervision Functions
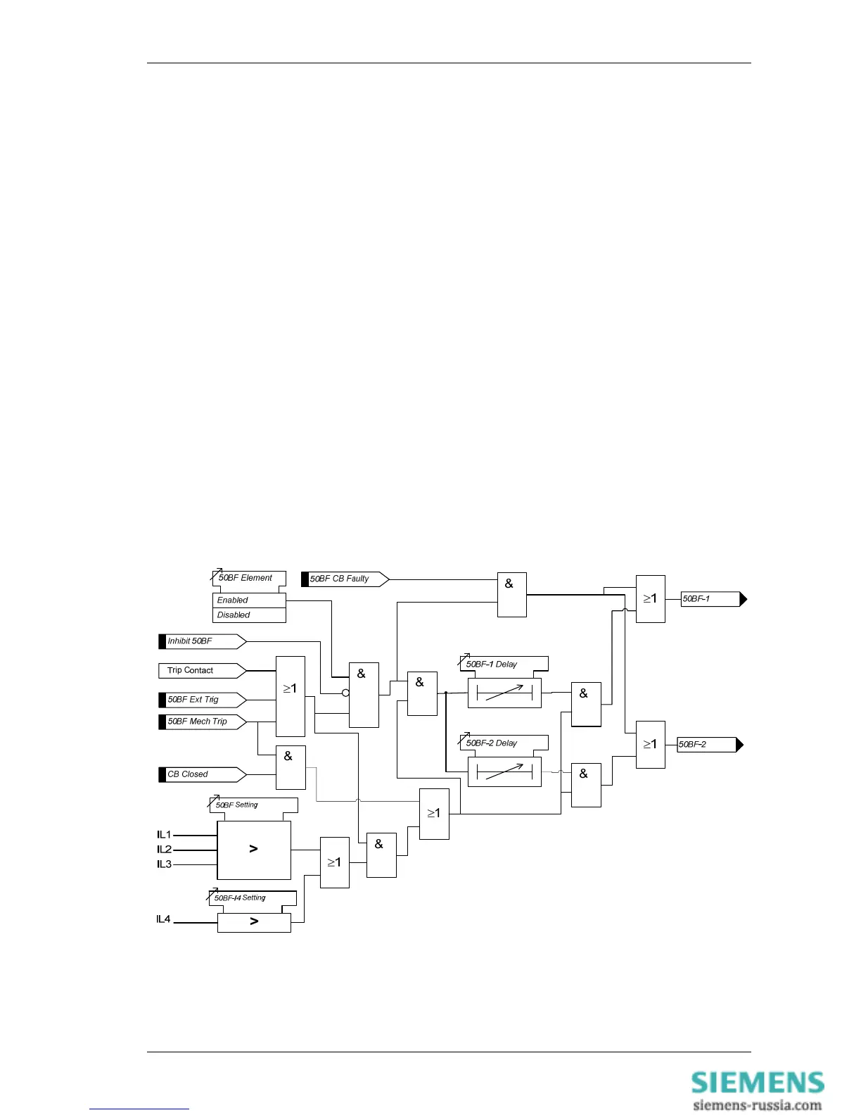
5.1 Circuit Breaker Failure (50BF)
The circuit breaker fail function has two time delayed outputs that can be used for combinations of re-tripping or
back-tripping. CB Fail outputs are given after elapse of the 50BF-1 Delay or 50BF-2 Delay settings. The two
timers run concurrently.
The circuit breaker fail protection time delays are initiated either from:
An output Trip Contact of the relay (MENU: OUTPUT CONFIG\TRIP CONFIG\Trip Contacts), or
A binary or virtual input assigned to 50BF Ext Trig (MENU: INPUT CONFIG\INPUT MATRIX\50BF Ext
Trig).
A binary or virtual input assigned to 50BF Mech Trip (MENU: INPUT CONFIG\INPUT MATRIX\ 50BF
Mech Trip).
CB Fail outputs will be issued providing any of the 3 phase currents are above the 50BF Setting or the current in
the fourth CT is above 50BF-I4 for longer than the 50BF-n Delay setting, or for a mechanical protection trip the
circuit breaker is still closed when the 50BF-n Delay setting has expired – indicating that the fault has not been
cleared.
Both 50BF-1 and 50BF-2 can be mapped to any output contact or LED.
An output is also given to indicate the faulted phase, 50BF PhA , 50BF PhB, 50BF PhC and 50BF EF
If the CB Faulty input (MENU: INPUT CONFIG\INPUT MATRIX\CB Faulty) is energised when a CB trip is given
the time delays 50BF-n Delay will be by-passed and the output given immediately.
Operation of the CB Fail elements can be inhibited from:
Inhibit 50BF A binary or virtual input.
Figure 4-5 Logic Diagram: Circuit Breaker Fail Protection (50BF)

Table of Contents

Related product manuals