EasyManua.ls Logo

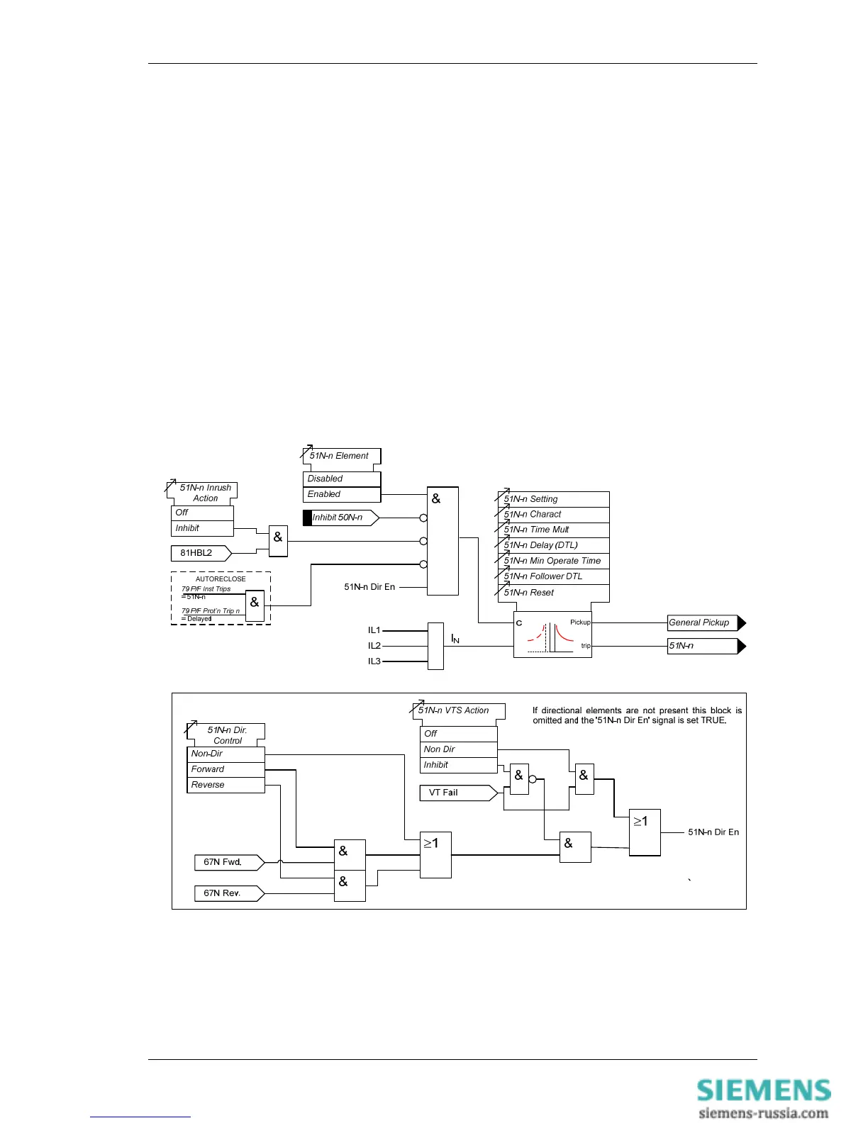
Siemens 7SR11 - Figure 1-30 Logic Diagram: Derived Time Delayed Earth Fault Protection

Siemens 7SR11
76 pages
To Next Page IconTo Next Page
To Next Page IconTo Next Page
To Previous Page IconTo Previous Page
To Previous Page IconTo Previous Page
Loading...
7SR11 & 7SR12 Description Of Operation
©2012 Siemens Protection Devices Limited Chapter 1 Page 33 of 76
Char. When definite time lag (DTL) is selected the time multiplier is not applied and the 51N-n Delay (DTL)
setting is used instead.
The 51-n Reset setting can apply a definite time delayed reset, or when the operation is configured as an IEC or
ANSI or user characteristic if the reset is selected as IEC/ANSI (DECAYING) reset the associated reset curve will
be used. The reset mode is significant where the characteristic has reset before issuing a trip output – see
‘Applications Guide’
A minimum operate time for the characteristic can be set using the 51N-n Min. Operate Time setting.
A fixed additional operate time can be added to the characteristic using the 51N-n Follower DTL setting.
Where directional elements are present the direction of operation can be set using 51N-n Dir. Control setting.
Directional logic is provided independently for each 51N-n element.
Operation of the time delayed earth fault elements can be inhibited from:
Inhibit 51N-n A binary or virtual input.
79 E/F Inst Trips: 51N-n When ‘delayed’ trips only are allowed in the auto-reclose sequence
(79 E/F Prot’n Trip n = Delayed).
50-n Inrush Action: Block Operation of the inrush current detector function.
51N-n VTSAction: Inhibit Operation of the VT Supervision function (7SR1205 & 7SR1206).
Figure 1-30 Logic Diagram: Derived Time Delayed Earth Fault Protection

Table of Contents

Related product manuals