EasyManua.ls Logo

Siemens 7SR11 - Figure 1-26 Logic Diagram: Time Delayed Overcurrent Element

Siemens 7SR11
76 pages
To Next Page IconTo Next Page
To Next Page IconTo Next Page
To Previous Page IconTo Previous Page
To Previous Page IconTo Previous Page
Loading...
7SR11 & 7SR12 Description Of Operation
©2012 Siemens Protection Devices Limited Chapter 1 Page 29 of 76
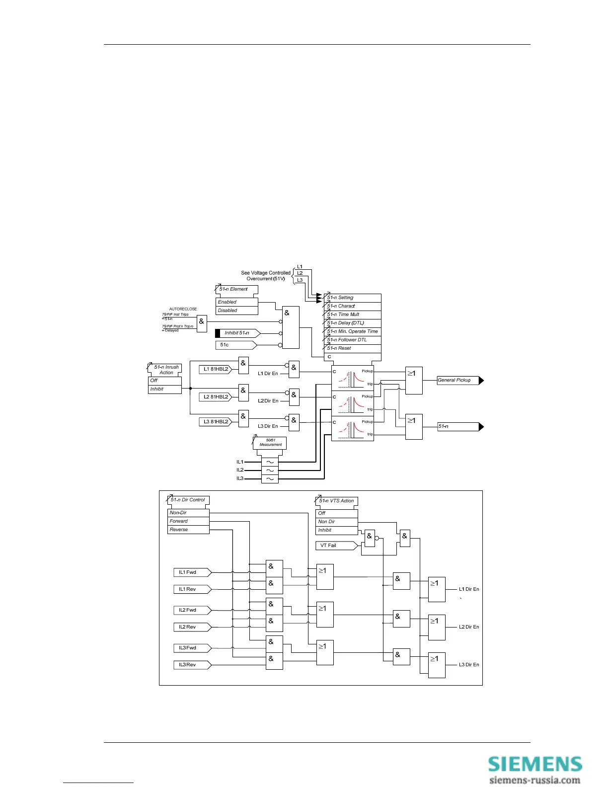
A minimum operate time for the characteristic can be set using 51-n Min. Operate Time setting.
A fixed additional operate time can be added to the characteristic using 51-n Follower DTL setting.
Where directional elements are present the direction of operation can be set using 51-n Dir. Control setting.
Directional logic is provided independently for each 51-n element
Operation of the time delayed overcurrent elements can be inhibited from e.g. giving the option of using two
elements set to forward and two to reverse.
Inhibit 51-n A binary or virtual input.
79 P/F Inst Trips: 51-n When ‘delayed’ trips only are allowed in the auto-reclose sequence
(79 P/F Prot’n Trip n = Delayed).
51c Activation of the cold load settings.
50-n Inrush Action: Block Operation of the inrush current detector function.
51-n VTSAction: Inhibit Operation of the VT Supervision function (7SR1205 & 7SR1206).
Figure 1-26 Logic Diagram: Time Delayed Overcurrent Element

Table of Contents

Related product manuals