EasyManua.ls Logo

Siemens SIMATIC PCS 7 CPU 410-5H - C.36 SM332; AO 8 x 0;4...20 mA HART, 6 ES7 332-8 TF01-0 AB0

Siemens SIMATIC PCS 7 CPU 410-5H
380 pages
Print Icon
To Next Page IconTo Next Page
To Next Page IconTo Next Page
To Previous Page IconTo Previous Page
To Previous Page IconTo Previous Page
Loading...
Connection examples for redundant I/Os
C.36 SM332; AO 8 x 0/4...20mA HART, 6ES7 332-8TF01-0AB0
CPU 410-5H Process Automation
System Manual, 09/2014, A5E31622160-AB
373
C.36
SM332; AO 8 x 0/4...20mA HART, 6ES7 332-8TF01-0AB0
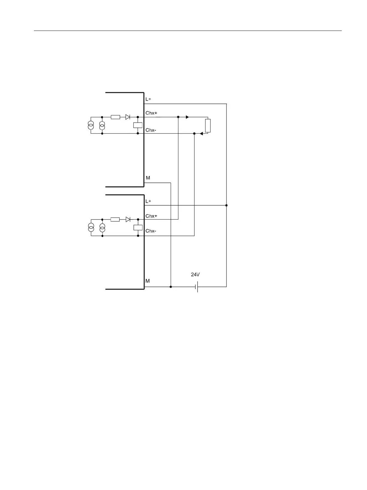
The diagram below shows the connection of an actuator to two SM 332; AO 8 x 0/4...20 mA
HART.
Figure C-35 Interconnection example 3 SM 332; AO 8 x 0/4...20mA HART

Table of Contents

Related product manuals