EasyManua.ls Logo

Siemens Simatic S7-300 - Grounding Conception S7-300 with CPU 31 Xc

Siemens Simatic S7-300
242 pages
To Next Page IconTo Next Page
To Next Page IconTo Next Page
To Previous Page IconTo Previous Page
To Previous Page IconTo Previous Page
Loading...
Configuring
S7-300 Programmable Controller Hardware and Installation
4-24 A5E00105492-01
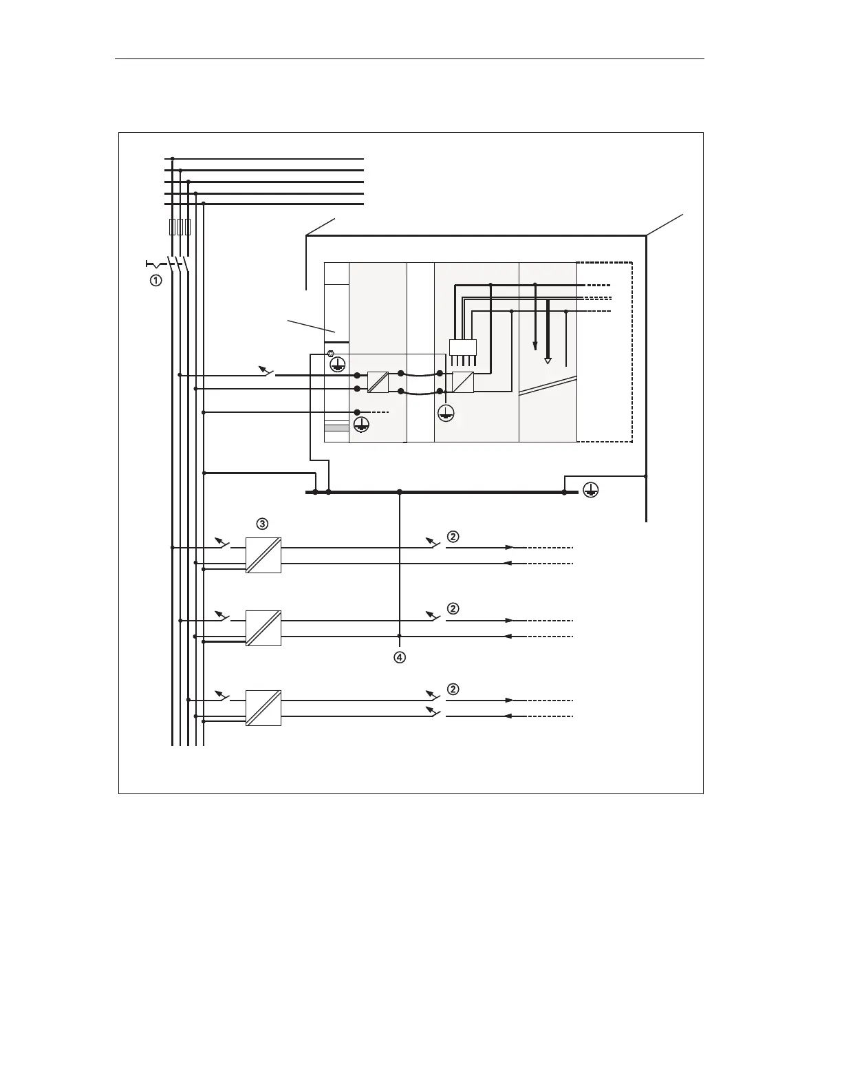
low-voltage distribution
e. g. TN-S System (3 x 400 V)
Cabinet
Rail
Ground bus in cabinet
PS
CPU
SM
Signal modules
L1
N
L+
M
µP
AC 24 to 230V l for AC modulesoad circuit
DC 5 to 60V l for
non-isolated DC modules
oad circuit
DC 5 to 60V load circuit for isolated
DC modules
AC
AC
AC
AC
DC
DC
L1
L2
L3
N
PE
* In the case of CPU 31xC or 312 IFM, the connection will automatically be established
*
Figure 4-11 Grounding conception S7-300 with CPU 31xC

Table of Contents

Other manuals for Siemens Simatic S7-300

Related product manuals