EasyManua.ls Logo

Siemens Simatic S7-400

Siemens Simatic S7-400
228 pages
To Next Page IconTo Next Page
To Next Page IconTo Next Page
To Previous Page IconTo Previous Page
To Previous Page IconTo Previous Page
Loading...
Networking
5-14
Automation System S7-400 Hardware and Installation
A5E00850741-01
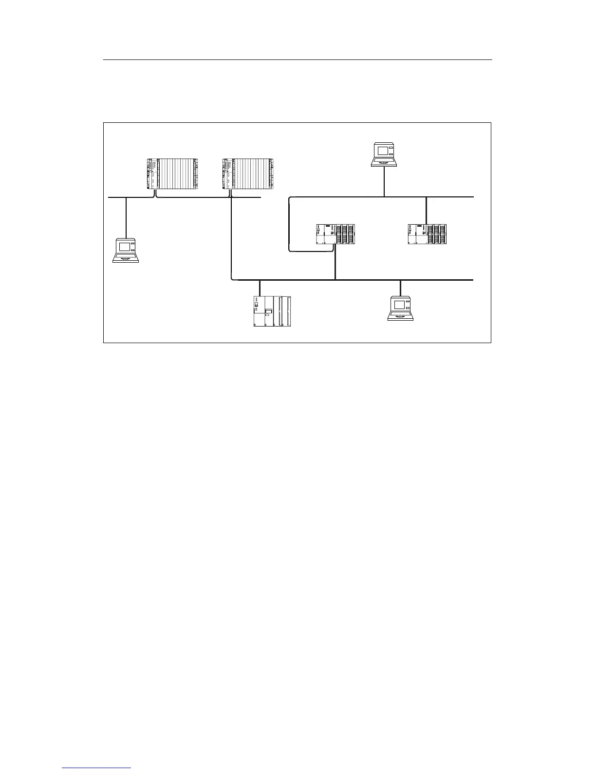
Programming Device Access Beyond Network Limits (Routing)
You can access all modules beyond network limits using a programming device.
ET 200
PROFIBUS-DP network 2
Programming
device / PC 2
Programming
device / PC 3
Programming
device / PC 1
MPI network 1
S7-400 with
CPU 417
S7-400 with
CPU 416
S7-300 with
CPU 318
S7-300 with
CPU 318
MPI network 3
Figure 5-9 Programming device access beyond network limits
Requirements :
Use STEP 7 from version 5.0 onwards
Assign STEP 7 to a programming device or PC on the network
(SIMATIC Manager, Assign programming device/PC)
The network limits are bridged by modules with routing capability.

Table of Contents

Other manuals for Siemens Simatic S7-400

Related product manuals