EasyManua.ls Logo

Siemens Simatic S7-400

Siemens Simatic S7-400
228 pages
To Next Page IconTo Next Page
To Next Page IconTo Next Page
To Previous Page IconTo Previous Page
To Previous Page IconTo Previous Page
Loading...
Wiring the S7-400
4-11
Automation System S7-400 Hardware and Installation
A5E00850741-01
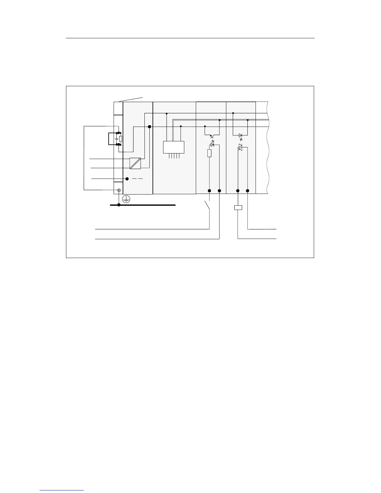
Configuration with Isolated Modules
Shown in Figure 4-4 are the potentials of an S7-400 configured with isolated input
and output modules.
PS CPU
L1
N
L+
L1
N
DI DO
PE
Rack
U
internal
Data
M
external
230 VAC load current PS
Ground bus in cabinet
24 VDC load current PS
Figure 4-4 Simplified Representation of Configuration with Isolated Modules

Table of Contents

Other manuals for Siemens Simatic S7-400

Related product manuals