EasyManua.ls Logo

Siemens SIMOTICS GP series - 1 La5180; La5180... 225

Siemens SIMOTICS GP series
150 pages
Print Icon
To Next Page IconTo Next Page
To Next Page IconTo Next Page
To Previous Page IconTo Previous Page
To Previous Page IconTo Previous Page
Loading...
Spare parts
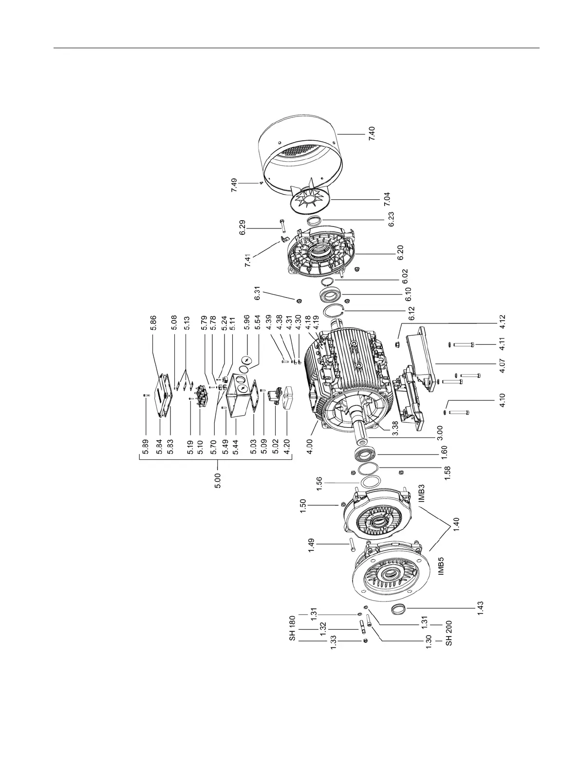
10.11 Exploded drawings
Standard motors SH 63 ... 355
Operating Instructions, 12/2018, A5E38483075A
125
10.11.3 1LA5180 ... 225

Table of Contents

Related product manuals