EasyManua.ls Logo

Siemens SIMOTICS GP series - 1 Le1 Sh225

Siemens SIMOTICS GP series
150 pages
Print Icon
To Next Page IconTo Next Page
To Next Page IconTo Next Page
To Previous Page IconTo Previous Page
To Previous Page IconTo Previous Page
Loading...
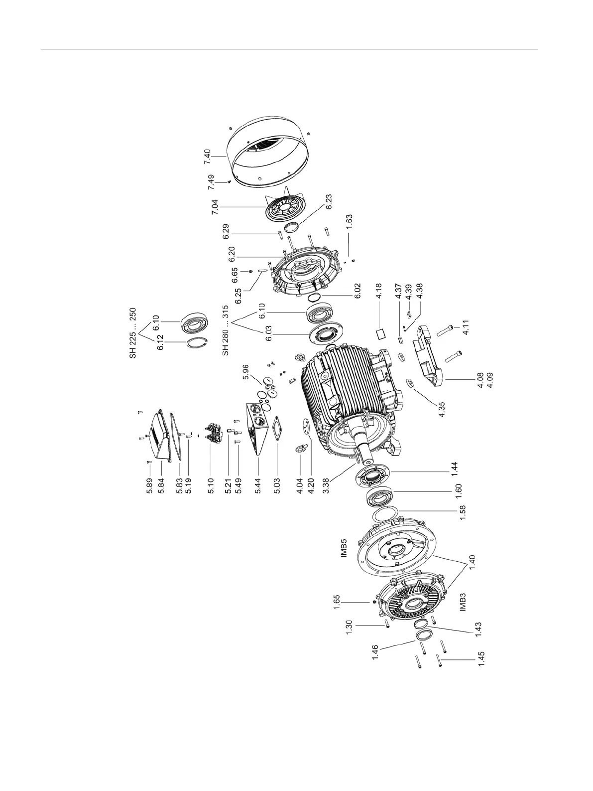
Spare parts
10.11 Exploded drawings
Standard motors SH 63 ... 355
130 Operating Instructions, 12/2018, A5E38483075A
10.11.8 1LE1 SH225 ... 315 cast iron

Table of Contents

Related product manuals