EasyManua.ls Logo

SMAR TP301 - Page 11

SMAR TP301
50 pages
Print Icon
To Next Page IconTo Next Page
To Next Page IconTo Next Page
To Previous Page IconTo Previous Page
To Previous Page IconTo Previous Page
Loading...
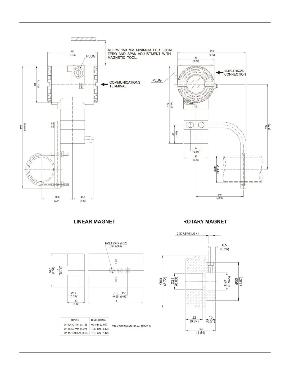
Installation
1.5
See below the TP301, dimensional drawings.
Figure 1.5 TP301 Dimensional Drawing / Magnets Dimensional Drawing

Related product manuals