EasyManua.ls Logo

Snorkel UL40 - Page 75

Snorkel UL40
115 pages
Print Icon
To Next Page IconTo Next Page
To Next Page IconTo Next Page
To Previous Page IconTo Previous Page
To Previous Page IconTo Previous Page
Loading...
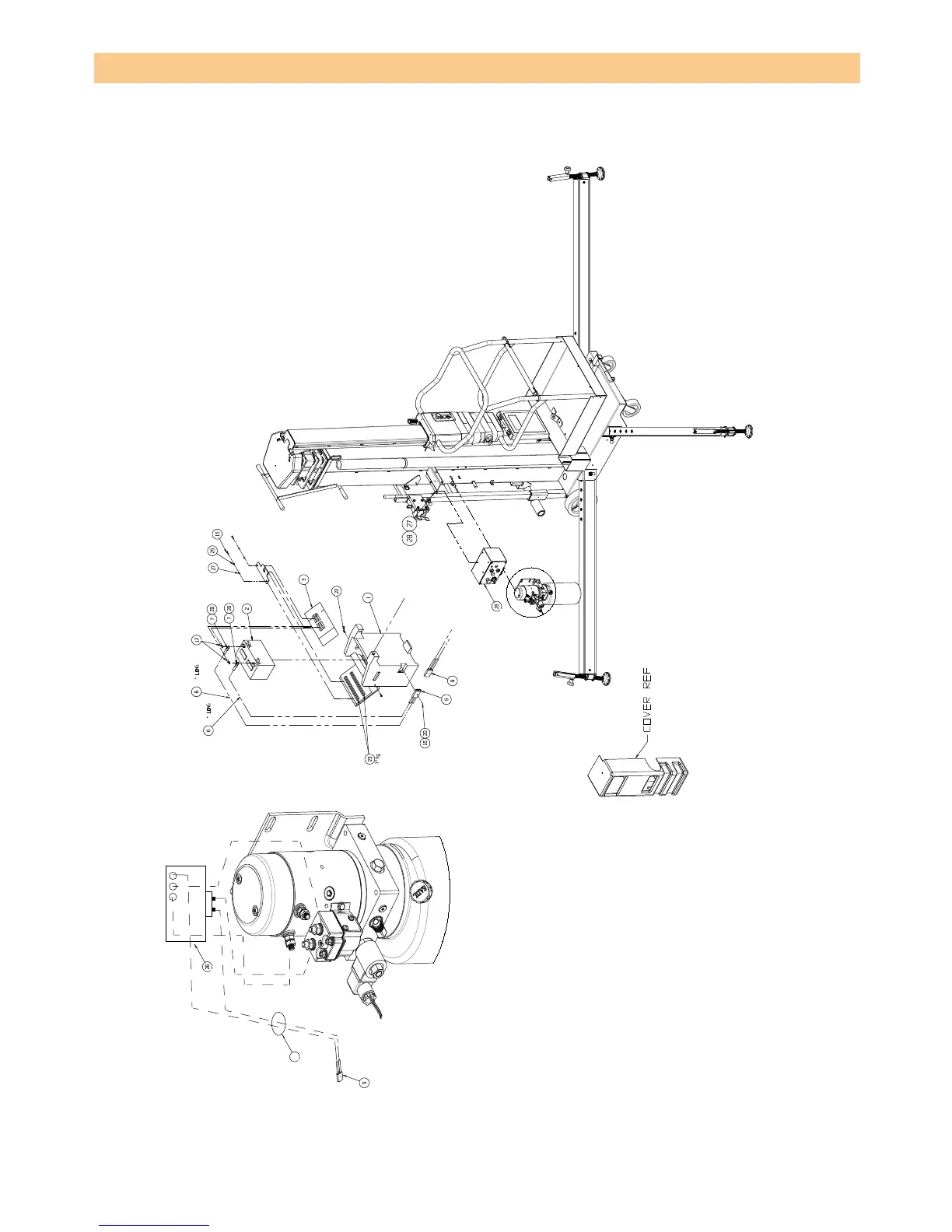
Page 6 - 11UL25/UL32/UL40
ILLUSTRATED PARTS LIST
DC POWER OPTION - 068009-011
B
DETAIL B
(-)
(+)
22
22
30
Figure 6-4: DC power option illustration.

Table of Contents