EasyManua.ls Logo

SolarMax MaxWeb XPN - Page 67

SolarMax MaxWeb XPN
76 pages
Print Icon
To Next Page IconTo Next Page
To Next Page IconTo Next Page
To Previous Page IconTo Previous Page
To Previous Page IconTo Previous Page
Loading...
67
en
waveform of the output pulse
On-state
Off-state
0,1 i
0,9 i
0,5 i
t
on
t
off
t
T
t
T
t
on
≥ 30 ms
t
off
≥ 30 ms
t
T
≤ 5 ms
Requirements
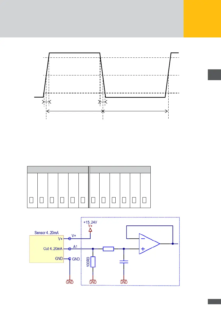
Fig. 66: Input connection diagram / Schematic diagram of the S0 pulse
Front of the MaxWeb XPN, terminals at the bottom
Analoge Messeingänge
CAN-Bus
A1
GND
A2
GND
V+
frei
V
iso
GND
iso
CAN LOW
CAN HIGH
GND
GND
2
1
3
4
5
6
1
2
3
4
5
6
Fig. 67: Input connection diagram of the analogue measurement inputs

Related product manuals