EasyManua.ls Logo

Sony CCD-TR315E - Page 66

Sony CCD-TR315E
181 pages
Print Icon
To Next Page IconTo Next Page
To Next Page IconTo Next Page
To Previous Page IconTo Previous Page
To Previous Page IconTo Previous Page
Loading...
CCD-TR315E/TR415E/TR425E/TR515E/TR516E/TR713E
CCD-TRV16E/TRV26E/TRV27E/TRV27EP/TRV36E/TRV46E
4-49 4-50
4-51
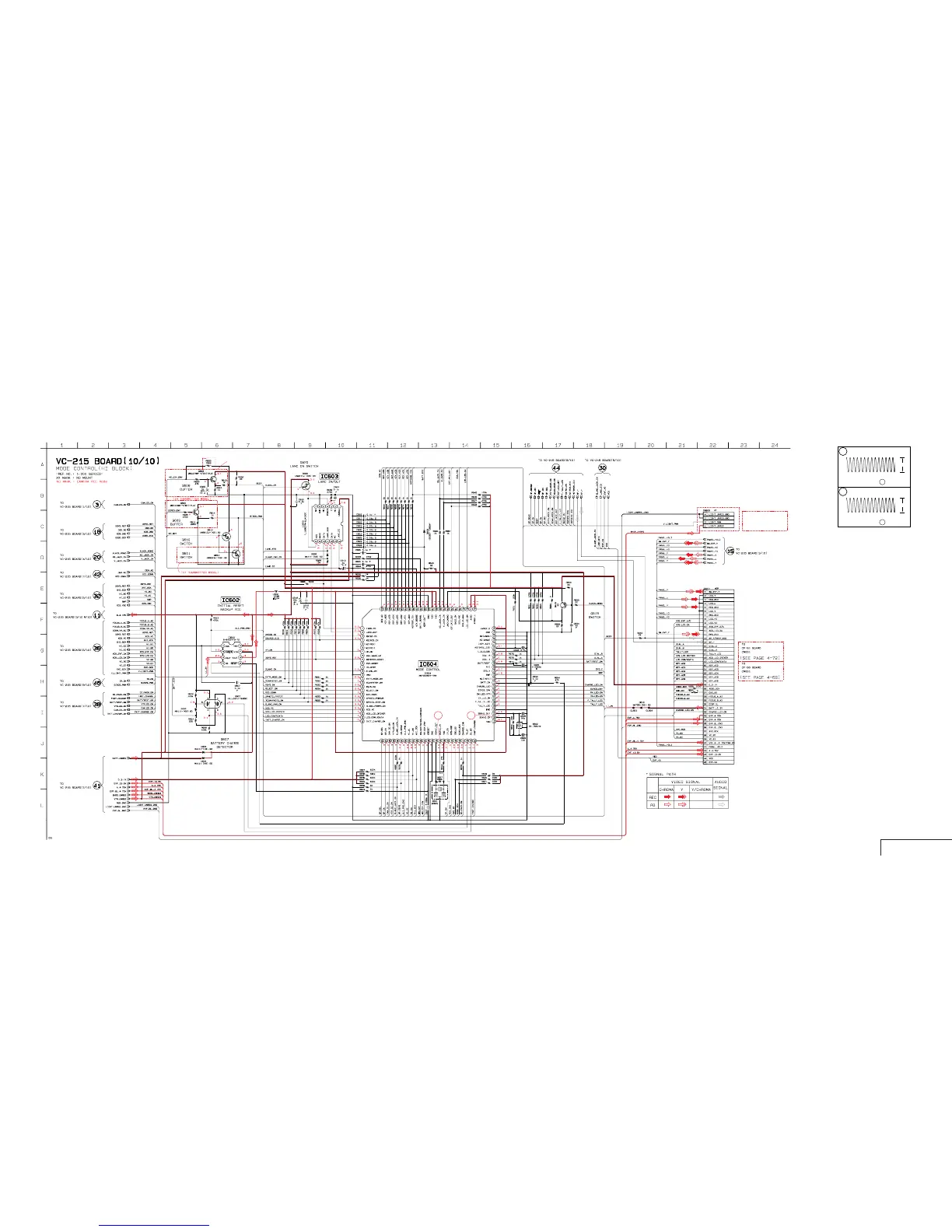
MODE CONTROL
VC-215 (10/10)
,
(TRV SERIES)
(TR SERIES)
(TR SERIES)
(TRV SERIES)
TR SERIES : CCD-TR315E/TR415E/TR425E/TR515E/TR516E/TR713E
TRV SERIES : CCD-TRV16E/TRV26E/TRV27E/TRV27EP/TRV36E/TRV46E
Hi8 MODEL : CCD-TR515E/TR516E/TR713E/TRV36E/TRV46E
STANDARD 8 MODEL : CCD-TR315E/TR415E/TR425E/TRV16E/TRV26E/TRV27E/TRV27EP
B/W EVF MODEL : CCD-TR315E/TR415E/TR425E/TR515E/TR713E/
TRV16E/TRV26E/TRV27E/TRV27EP/TRV36E/TRV46E
COLOR EVF MODEL : CCD-TR516E
REMOTE COMMANDER MODEL : CCD-TR425E/TR515E/TR516E/TR713E/
TRV27E/TRV27EP/TRV36E/TRV46E
VIDEO LIGHT MODEL : CCD-TR515E/TR516E/TR713E/TRV36E/TRV46E
STEADY SHOT MODEL : CCD-TR713E/TRV46E
IR TRANSMITTER MODEL : CCD-TR713E/TRV46E
LASER LINK MODEL : CCD-TR713E/TRV46E
(VIDEO LIGHT MODEL)
6362
(VIDEO LIGHT MODEL)
TO
VL-21/22 BOARD
CN151
(SEE PAGE 4–45)
VC-215 BOARD (10/10)
62
63
IC604
41
20 MHz
1.5Vp-p
IC604
52
32 kHz
2.6Vp-p
For schematic diagrams.
Refer to page 4–11 for Printed Wiring Board.

Table of Contents

Related product manuals