EasyManua.ls Logo

Sony DCR-VX2200E - Playing Picture on TV

Sony DCR-VX2200E
112 pages
Print Icon
To Next Page IconTo Next Page
To Next Page IconTo Next Page
To Previous Page IconTo Previous Page
To Previous Page IconTo Previous Page
Loading...
49
Recording/Playback
Playing the picture on a TV
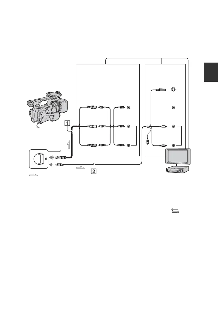
You can connect your camcorder to the input jack of a TV or a VCR using the A/V connecting
cable (1) or the A/V connecting cable with S VIDEO (2). Connect your camcorder to the
wall outlet (wall socket) using the supplied AC Adaptor for this operation (
p. 12). Refer also
to the instruction manuals supplied with the devices to be connected.
A A/V connecting cable and video
audio cable (supplied)
Connect to the input jack of another device.
B A/V connecting cable with S
VIDEO (optional)
When connecting to another device via the S
VIDEO jack, by using the A/V connecting
cable with an S VIDEO cable, pictures can be
reproduced more faithfully than with the
supplied A/V cable connection.
Connect the white and red plugs (left/right
audio) and S VIDEO plug (S VIDEO
channel) of an A/V connecting cable. In this
case, the yellow (standard video) plug
connection is not necessary. S VIDEO
connection only will not output audio.
z Tips
You can display the time code on the TV screen
by setting [DISP OUTPUT] to [V-OUT/
PANEL] (
p. 66).
When you set the aspect ratio according to the
connected TV (16:9/4:3), select
(IN/OUT
REC) t set [TV TYPE] to [16:9] or [4:3]
(
p. 67).
When connecting your camcorder to a
TV through a VCR
Connect your camcorder to the LINE IN
input on the VCR. Set the input selector
on the VCR to LINE (VIDEO 1, VIDEO
2, etc.), if the VCR has an input selector.
A/V Remote
Connector
(Yellow)
(White)
(Red)
: Signal flow
VCR or TV
(Yellow)
(White)
(Red)
(Black)
Device with an
S VIDEO jack
Device without
an S VIDEO jack
IN
IN
S VIDEO
VIDEOVIDEO
AUDIO AUDIO
Continued ,

Table of Contents

Other manuals for Sony DCR-VX2200E

Related product manuals