EasyManua.ls Logo

Sony HBD-E280 - Page 64

Sony HBD-E280
100 pages
Print Icon
To Next Page IconTo Next Page
To Next Page IconTo Next Page
To Previous Page IconTo Previous Page
To Previous Page IconTo Previous Page
Loading...
HBD-E280/T28
64
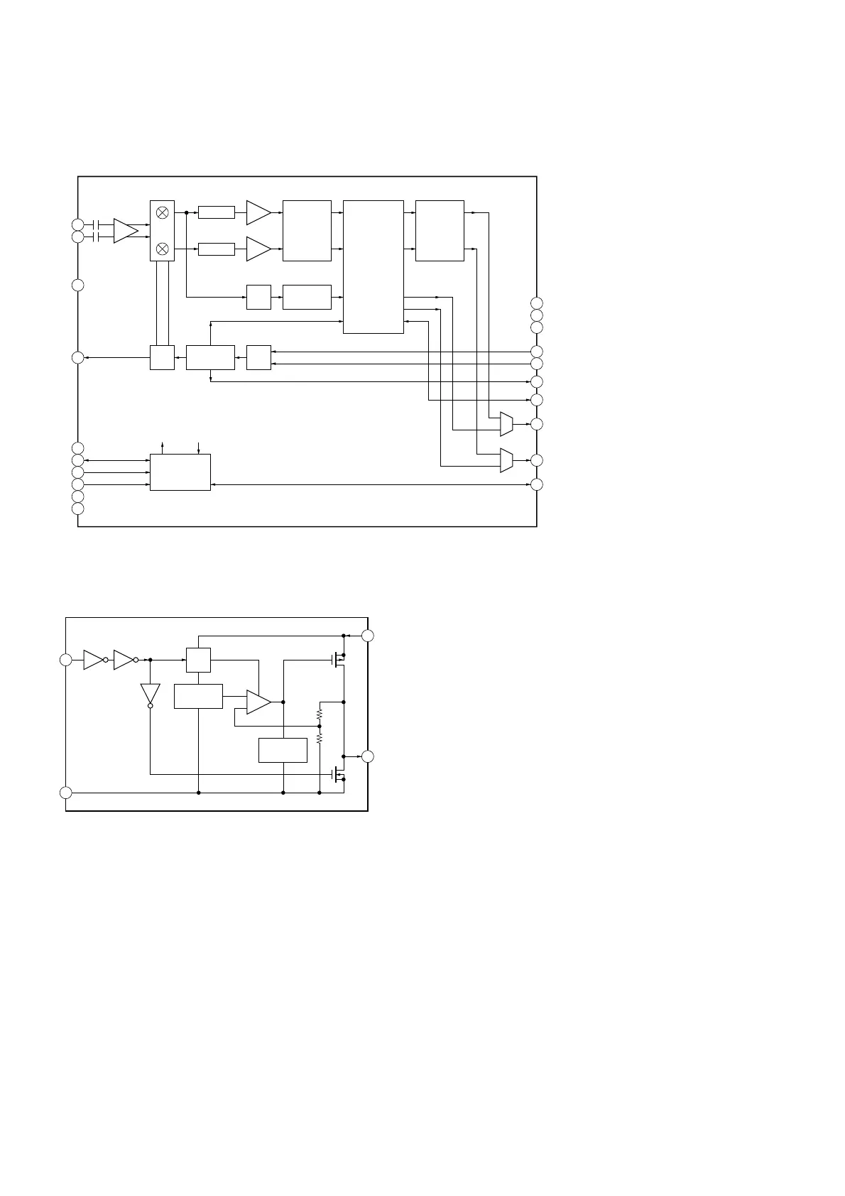
– TUNER Board –
IC101 RS5B700-0001E2 (E280: US, Canadian, Australian, PX, Mexican/T28)
IC101 RS5B700-0002E2 (E280: AEP, Italian and UK models)
1FRF1
2FRF2
3GNDRF
14 IISD
17
16
X2
X1
18 VDD
19 GND
20 VDDRF
4CP2
8CK
7LA
6
5
IIC/RDSI
NC
13 LRCK/LOUT
9VDD
10GND
11 DA
FM LNA FILTER
FILTER
AGC AMP
AGC AMP
A/D
CONVERTER
D/A
CONVERTER
DIGITAL
SIGNAL
PROCESSING
SERIAL
INTERFACE/
REGISTERS
A/D
CONVERTER
CLOCK
GENERATOR
AGC
DET
LOSC XSOC
15 CP1
12 BCLK/ROUT
IC104 MM3404A33URE
VOUT
3
CE 1
GND
2
VDD
4
+
VOLTAGE
REFERENCE
CURRENT
LIMIT
BIAS
Ver. 1.1

Table of Contents

Related product manuals