EasyManua.ls Logo

Sony HBD-E280 - Page 96

Sony HBD-E280
100 pages
Print Icon
To Next Page IconTo Next Page
To Next Page IconTo Next Page
To Previous Page IconTo Previous Page
To Previous Page IconTo Previous Page
Loading...
HBD-E280/T28
HBD-E280/T28
44
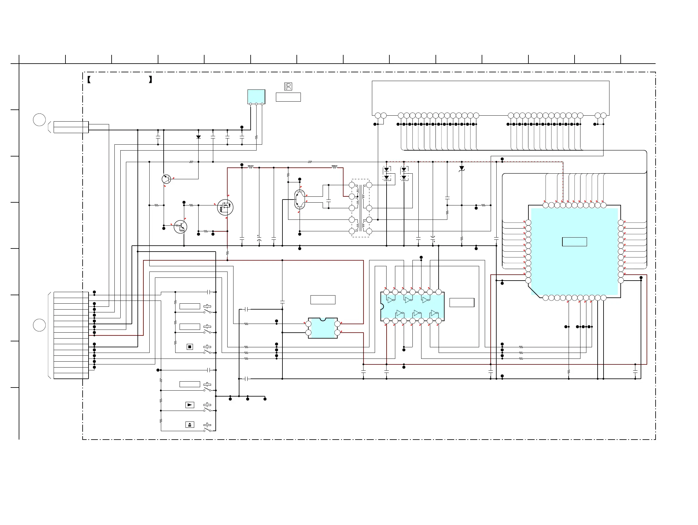
2-2. SCHEMATIC DIAGRAM
L
(10/12)
BOARD
CN6203
MB-141
R
BOARD
KEY
CN301
(Refer to page
52 on original
service manual)
(Refer to page
45 on original
service manual)
POWER
-28
5
-28
-28
-28
-28
-28
-28
-28
-28
-28
-31.1
-28
5
2.9
5
4.6
5
0
6
6
0
6.2
6.2
0.2
3.1
0
0
3.1
3.2 6.2
5
3.15
30
03.1
00
4.6 0
05
5
CL25
CL24
0.1
C17
CPH5504-TL-E
Q03
0.1
C08
82k
R22
1k
R04
CL15
C05
0.1
CL29
CL30
CL31
CL32
CL33
CL34
CL35
CL36
CL37
CL38
CL39
CL42
CL43
CL44
CL45
CL46
CL47
CL48
CL49
CL50
CL51
CL52
CL54
CL56
CL58
CL60
CL61
CL26
CL62
10
C18
47
R14
R17
47
RT1N441M-TP-1
Q01
1
C06
1
C04
CL20
CL41
CL63
CL27
0.01
C14
CL19
CL40
CL23
C13
0.01
CL28CL01
C01
0.01
MM3404A50URE
IC01
1
CE
2
GND
3
Vout
4
Vin
MC2837
D03
MC2837
D02
0.022
C10
10k
R13
2.7k
R06
C20
0.01
D05
DZ2J05100L
0.1
C26
100R23
100R24
100R25
35V
47
C15
74AHCT04PW-118
IC03
12
3
4
56
7
GND
89
10
11
12
13
14
Vcc
C25
0.1
ND01
1 5 6 7 8 9 10 11 12 13 14 15 16 17 18 24 25 26 27 28 29 30 31 32 33 34 35 36 402 39
T01
94
6
7
82
5
3
1
CL02
CL12
CL07
CL05
CL03
CL06
CL09
CL10
CL04
CL08
CL11
0.1
C40
CL14
C43
0.1
2.2k
R45
2.2k
R42
CL16
1
2
3
4
5
6
7
8
9
10
11
12
13
14
15
15P
CN02
KEY2
KEY1
KEY0
UNSW3.3V
SIRCS
FLGND
PCONT_FL
PANEL6V
NO USE
GND
FL_CS
FL_DOUT
FL_CLK
LED1
NO USE
47
R30
C30
4.7
CL13
VS
OUT
GND
HM2140RS T-12M2
IC30
231
C02
0.1
PT6315
IC02
1
LED1
2
LED2
3
LED3
4
LED4
5
OSC
6
DOUT
7
DIN
8
CLK
9
STB
10
K1
11
K2
12
VSS
13
VDD
14
SG1
15
SG2
16
SG3
17
SG4
18
SG5
19
SG6
20
SG7
21
SG8
22
SG9
23
SG10
24
SG11
25
SG12
26
SG13
27
SG14
28
SG15
29
SG16
30
VEE
31
GR12
32
GR11
33
GR10
34 GR9
35
GR8
36 GR7
37
GR6
38 GR5
39 GR4
40
GR3
41 GR2
42 GR1
43 VDD
44 VSS
10V
100
C07
CL64
CL65
CL66
CL68
CL67
CL69
CL70
CL71
CL72
CL75
CL73
CL74
100
R40
1k
R41
1k
R44
100
R43
DA2J10100L
D06
100k
R27
1
C27
DSC500100L
Q04
470k
R26
S
RSR025P03TL
Q02
R02
1k
R01
2.2k
0
R28
L02
100uH
L01
100uH
220
R31
220R32
220R29
1
2
2P
CN01
PW-SW
GND
CL76
CL77
CL78
CL79
CL80
CL81
CL82
R05
47k
0.01
C31
S10
S13
S12
S11
S14
S15
S16
S9
S8
S7
S6
S5
S4G4
G5
G6
G7
G8
G10
S2
S3
G6
G5
G4
G3
G2
G1
S14
S15
G8
G9
G10
S13
S12
S11
S9
S8
S7
S6
S5
S4
S3
S2
S1
G1
G2
G3
G7
S1
S17
S16
S17
S10
G9
FLUORESCENT INDICATOR TUBE
FLUORESCENT INDICATOR
IC02
LEVEL SHIFT
IC03
+5V REGULATOR
IC01
TRANSFORMER
DC/DC CONVERTER
REMOTE CONTROL
IC30
S43
S44
S45
S40
S41
S42
FUNCTION
VOLUME –
VOLUME +
DISPLAY BOARD
RECEIVER
-1
-2
Q01, 02, 04
B+ SWITCH
OSC
TUBE DRIVER
13
A
E
D
C
4 148
G
B
1 113 109
F
H
6257 12

Table of Contents

Related product manuals