EasyManua.ls Logo

Sony HCD-BX77DBi - SCHEMATIC DIAGRAM - POWER BOARD; Power Board Schematic Diagram

Sony HCD-BX77DBi
66 pages
Print Icon
To Next Page IconTo Next Page
To Next Page IconTo Next Page
To Previous Page IconTo Previous Page
To Previous Page IconTo Previous Page
Loading...
HCD-BX77DBi
HCD-BX77DBi
3535
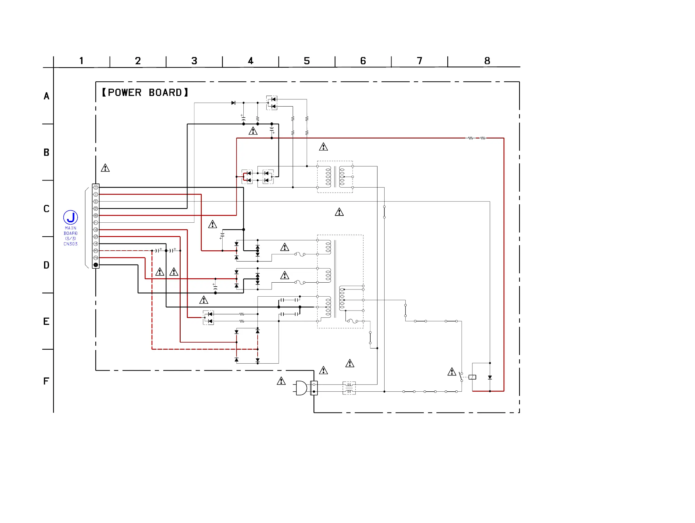
5-20. SCHEMATIC DIAGRAM - POWER Board -
R910 R911R908
R904R905
R909
D923
D922
C914
R906
C921
D908
D907
C922C923
F901
C901C905
C906
C902
D917
D916
D919
D918
D920
R902
R901
D911
D912
C936
D913
D914
CN901
RY901
D906
CN904
D927
D924
D925
D926
C925
JW924 JW925 JW926
JW931
JW927
LF901
F902
JW929
JW932
JW923
T902
T901
001k
4.7k4.7k
1k
MC2838
MA2J1110GLS0
10
50V 10k
1000
16V
MC2838
MC2836
2200
35V
2200
35V
T2AL 250V
0.10.1
0.1
0.1
1N5401
1N5401
1N5401
1N5401
MC2838
22k
22k
1N4002B
1N4002B
2200
25V
1N4002B
1N4002B
3P
MA2J1110GLS0
12P
1N4002-B5
1N4002-B5
1N4002-B5
1N4002-B5
2200
16V
T2AL 250V
USB UNREG GND
USB UNREG
RELAY
SUB GND
UNREG SUB
ACDET
PROTECT
+B
GND
-B
UNREG
UNREG GND
TRANSFORMER
SUB
TRANSFORMER
MAIN
LINE FILTER
(AC IN)
NOT REPLACEABLE:
BUILD IN TRANSFORMER
(Page 29)

Related product manuals