EasyManua.ls Logo

Sony HCD-CL1 - Schematic Diagrams - Panel Section; Panel Section Schematic

Sony HCD-CL1
70 pages
Print Icon
To Next Page IconTo Next Page
To Next Page IconTo Next Page
To Previous Page IconTo Previous Page
To Previous Page IconTo Previous Page
Loading...
3434
HCD-CL1/CL3
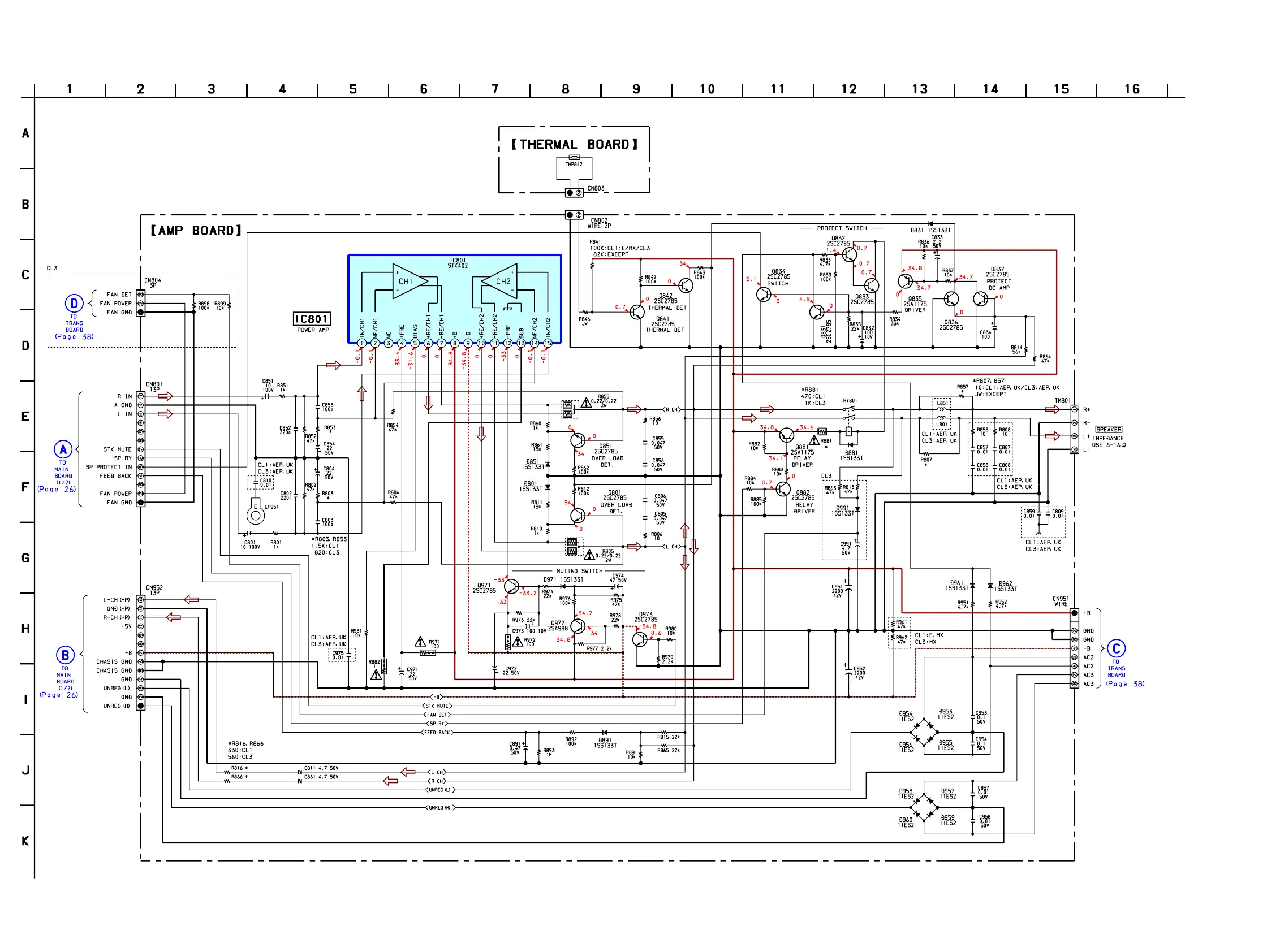
7-12. SCHEMATIC DIAGRAM AMP SECTION

Related product manuals