EasyManua.ls Logo

Sony HCD-CL1 - Schematic Diagrams - Trans Section; Trans Section Schematic

Sony HCD-CL1
70 pages
Print Icon
To Next Page IconTo Next Page
To Next Page IconTo Next Page
To Previous Page IconTo Previous Page
To Previous Page IconTo Previous Page
Loading...
3636
HCD-CL1/CL3
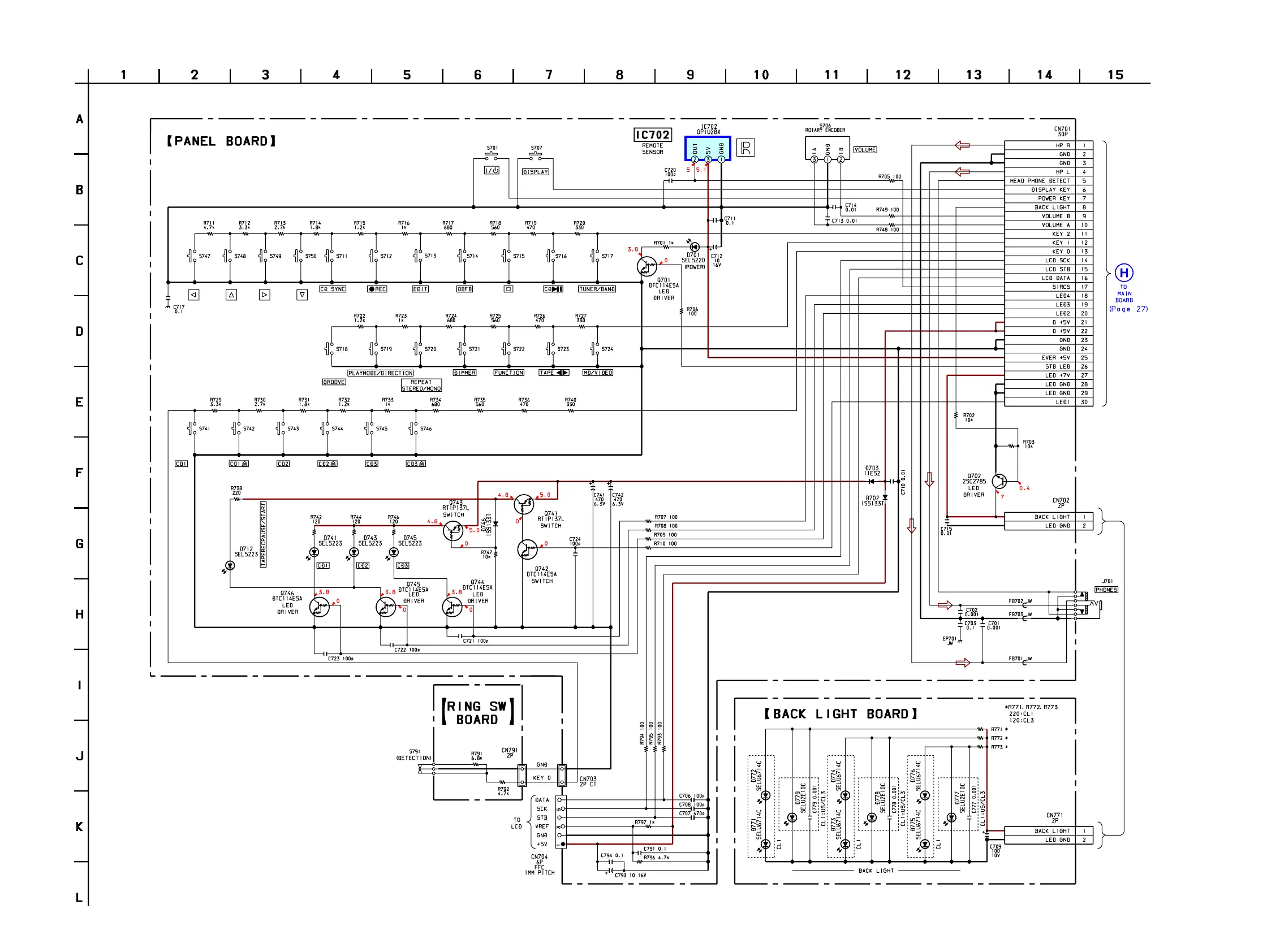
7-14. SCHEMATIC DIAGRAM PANEL SECTION

Related product manuals