EasyManua.ls Logo

Sony HCD-DR8AV - Block Diagrams; BD Section

Sony HCD-DR8AV
92 pages
Print Icon
To Next Page IconTo Next Page
To Next Page IconTo Next Page
To Previous Page IconTo Previous Page
To Previous Page IconTo Previous Page
Loading...
HCD-DR8AV/W900AV
— 21 — — 22 —
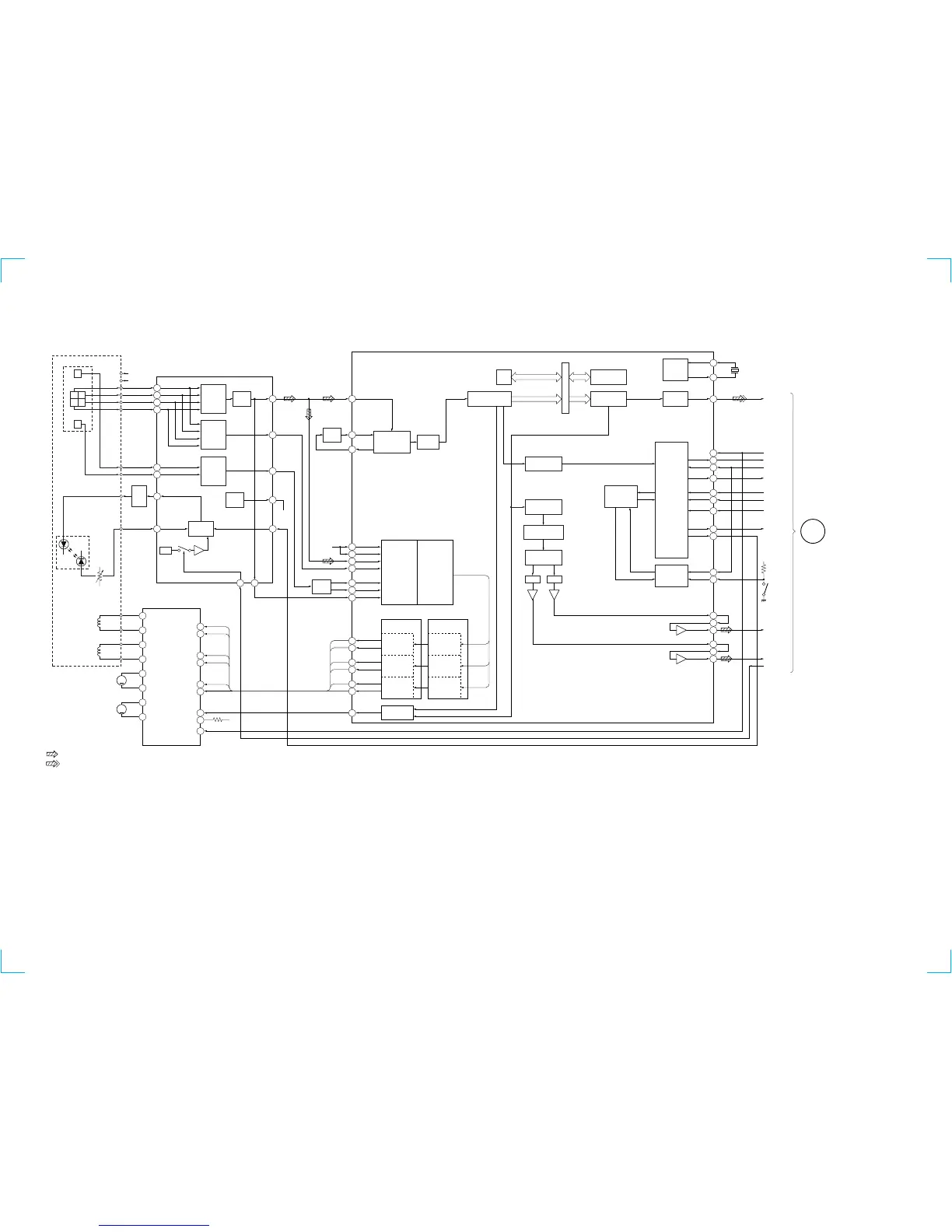
7-2. BLOCK DIAGRAMS
BD SECTION
E
F
A
B
C
D
A
C
RF
FF
TE
D
B
E
F
LD
PD
VCC
VC
RF
SUMMING
AMP
FOCUS
ERROR
AMP
TRACKING
ERROR
AMP
LD
DRIVE
Q101
VC
BUFFER
INTEG-
RATOR
RF EQ
AMP
INTEG-
RATOR
DIGITAL
PLL
IC101
DIGITAL SERVO
DIGITAL SIGNAL PROCESSOR
SUBCODE
PROCESSOR
SERIAL IN
INTERFACE
SERVO
AUTO
SEQUENCER
SERVO
INTERFACE
OVER SAMPLING
DIGITAL FILTER
D/A
INTERFACE
DIGITAL
OUT
TIMING
LOGIC
ERROR
CORRECTOR
EFM
DEMODULATION
APCLD/PD
AMP
5
7
8
6
16
14 49
51
13
LDON
VC
22
1521
12
11
10
3
IC103
RF AMP
VC
4
VREF
HOLD SW
REF
IC102
FOCUS/TRACKING COIL DRIVE
SPINDLE/SLED MOTOR DRIVE
11
12
T+
T–
14
13
F+
F–
TRACKING
COIL
FOCUS
COIL
CH2OUTR
CH2OUTF
5
CH2FIN
6
CH2RIN
2
CH1FIN
3
CH1RIN
23
CH3RIN
24
CH3FIN
25
CH4SIN
27
CH4BIN
20
MUTE
CH1OUTF
CH1OUTR
17
18
SD+
SD–
CH3OUTF
CH3OUTR
M
15
16
SP+
SP–
CH4OUTF
CH4OUTR
M
M102
SLED
MOTOR
M101
SPINDLE
MOTOR
TFDR
TRDR
FFDR
FRDR
SRDR
SFDR
VC
FD
PD
LASER
DIODE
A
C
D
B
E
F
DETECTOR
OPTICAL PICK-UP BLOCK
(KSS-213D/Q-NP)
LD
POWER
RF AC
ASYI
48
38
42
43
39
40
41
28
26
29
ASYO
ASYMMETRY
CORRECTION
SFDR
MDP
SRDR
33
32
FRDR
FFDR
31
30
42
TRDR
TFDR
SE
CE
TE
FE
RFDC
CE
VC
SLED
PWM
GENERATOR
FOCUS
PWM
GENERATOR
TRACKING
PWM
GENERATOR
PWM
GENERATOR
SLED
SERVO
FOCUS
SERVO
TRACKING
SERVO
SERVO DSP
DIGITAL
CLV
OPERATIONAL
AMPLIFIER
ANALOG
SWITCH
A/D
CONVERTER
16K
RAM
DATA BUS
3rd ORDER
NOISE SHAPER
PWM PWM
CPU
INTERFACE
2
1
3
SQSO
60
D OUT
67
XTAO
66
XTAI
8
SENS
20
SCOR
14
XLON
XRST
SQCK
5
DATA
6
XLAT
7
CLOK
9
SCLK
27
SSTP
70
AOUT1
71
AIN1
72
LOUT1
77
AOUT2
76
AIN2
75
LOUT2
L OUT
R OUT
HOLD
+5V
SQCK
SCOR
CLOK
XLT
DATA
SENS
SQSO
XRST
DOUT
X101
16.9344MHz
A
MAIN
SECTION
(Page 25, 27)
16
S101
LIMIT SW
• SIGNAL PATH
: CD
: Digital out

Table of Contents

Related product manuals