EasyManua.ls Logo

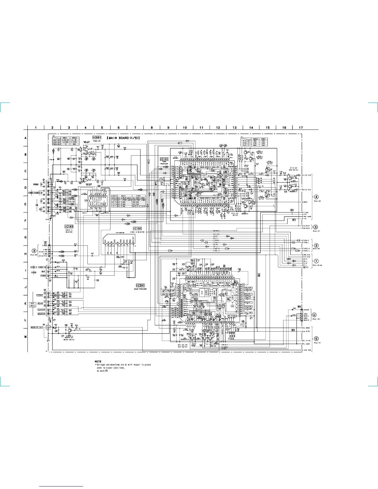
Sony HCD-DR8AV - Schematic Diagram - Main Section (1;5); Main Board (1;5) Schematic

Sony HCD-DR8AV
92 pages
Print Icon
To Next Page IconTo Next Page
To Next Page IconTo Next Page
To Previous Page IconTo Previous Page
To Previous Page IconTo Previous Page
Loading...
HCD-DR8AV/W900AV
— 43 — — 44 —
7-6. SCHEMATIC DIAGRAM MAIN (1/5) SECTION
• Refer to page 103 for IC Block Diagrams.

Table of Contents

Related product manuals