EasyManua.ls Logo

Sony HCD-DR8AV - Schematic Diagram - Trans Section (DR8 AV); Trans Board Schematic

Sony HCD-DR8AV
92 pages
Print Icon
To Next Page IconTo Next Page
To Next Page IconTo Next Page
To Previous Page IconTo Previous Page
To Previous Page IconTo Previous Page
Loading...
HCD-DR8AV/W900AV
— 97 — — 98 —
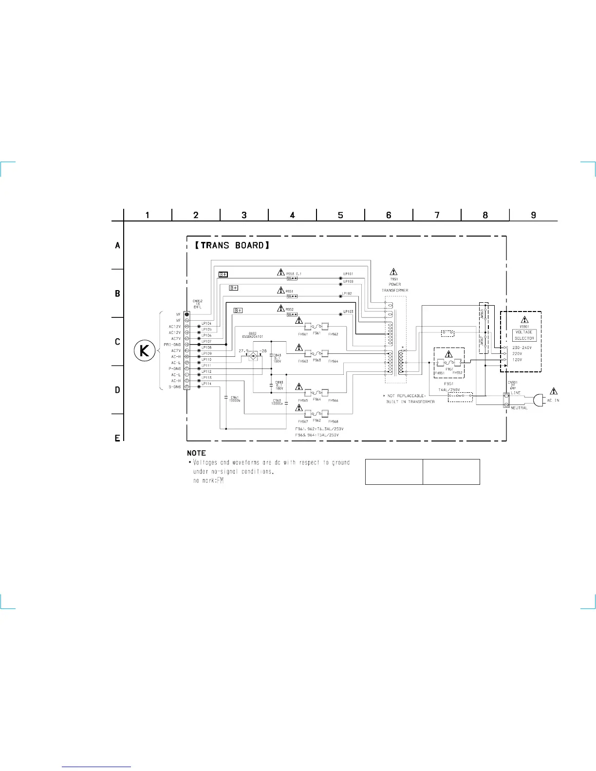
7-33. SCHEMATIC DIAGRAM TRANS SECTION (DR8AV model)
(Page 57)
16
JW965
JW971
JW966
MX MODEL
AUS MODEL
E,EA,AR,SP MODEL
E,EA,AR,SP MODEL
E,EA,AR,SP MODEL
0.22
0.22
The components identified by
mark ! or dotted line with mark
! are critical for safety.
Replace only with part number
specified.
Les composants identifiés par
une marque ! sont critiques
pour la sécurité.
Ne les remplacer que par une
pièce portant le numéro spécifié.

Table of Contents

Related product manuals