EasyManua.ls Logo

Sony HCD-DR8AV - Schematic Diagram - Power Section (DR8 AV - 1;2)

Sony HCD-DR8AV
92 pages
Print Icon
To Next Page IconTo Next Page
To Next Page IconTo Next Page
To Previous Page IconTo Previous Page
To Previous Page IconTo Previous Page
Loading...
HCD-DR8AV/W900AV
— 57 — — 58 —
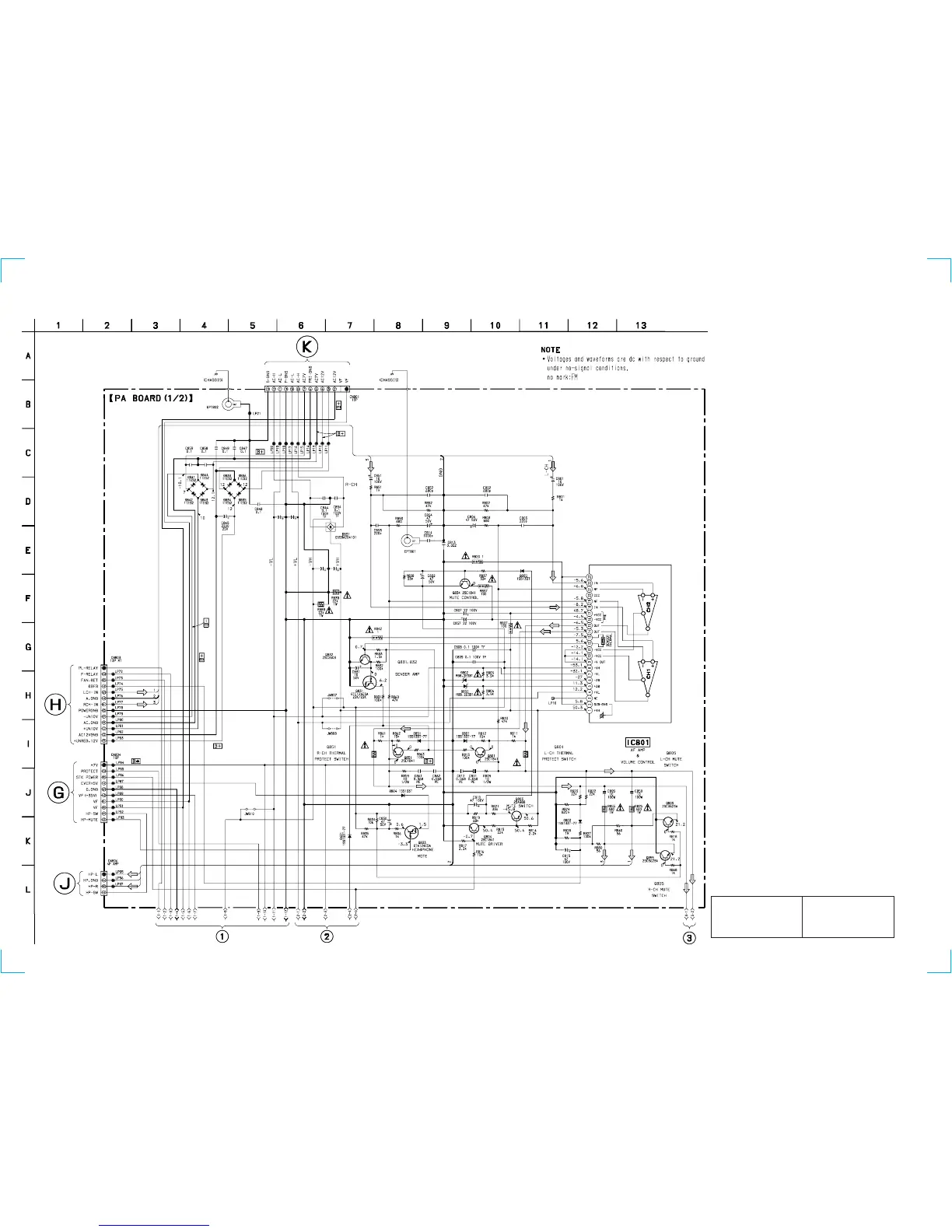
7-13. SCHEMATIC DIAGRAM POWER (1/2) SECTION (DR8AV model)
(Page 52)
(Page 52)
(Page 89)
(Page 59)
(Page 59)
(Page 60)
(Page 97)
16
IC801
STK411-230M
2CH CLASS AB + VOL CONTROL
THERMAL
C891
3300
50V
C841
3300
50V
C892
3300
80V
C842
3300
80V
R808
0.22
R858
0.22
• Refer to page 61 for Printed Wiring Board.
The components identified by
mark ! or dotted line with mark
! are critical for safety.
Replace only with part number
specified.
Les composants identifiés par
une marque ! sont critiques
pour la sécurité.
Ne les remplacer que par une
pièce portant le numéro spécifié.

Table of Contents

Related product manuals