EasyManua.ls Logo

Sony HCD-DZ100 - Block Diagrams; Audio Section Block Diagram

Sony HCD-DZ100
86 pages
Print Icon
To Next Page IconTo Next Page
To Next Page IconTo Next Page
To Previous Page IconTo Previous Page
To Previous Page IconTo Previous Page
Loading...
2727
HCD-DZ100
HCD-DZ100
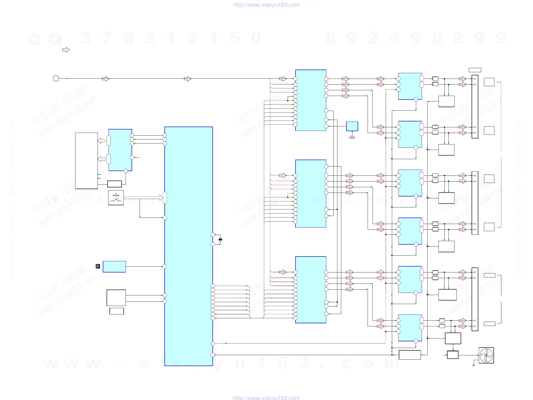
5-4. BLOCK DIAGRAM – AUDIO SECTION –
: AUDIO
• Signal Path
IC106
POWER DRIVER
J201
(+)
(–)
IC108
STREAM PROCESSOR
31
DATA
36
XFSIIN
30
BCK
23
SCLATCH
27
INIT
18
NSPMUTE
SOFTMUTE
21
SCDT
29
LRCK
22
SCSHIFT
25
FLAGL OVF
24
OVF FLAGR
LAT1
INIT
NSPMUTE
SCDT
OVF2
SHIFT
4
OUTR2
11
OUTL1
6
OUTR1
9
OUTL2
14
XFS0OUT
38
FS0I
Q101, 102
DC
DETECT
FRONT
R
27
FL DATA
24
FL CLK
28
FL CS/STB
VFL
(+)
(–)
Q103, 104
DC
DETECT
FRONT
L
(+)
(–)
IC109
STREAM PROCESSOR
IC509 (3/4)
SYSTEM CONTROLLER
IC802
FL DRIVER
31
DATA
36
XFSIIN
30
BCK
23
SCLATCH
27
INIT
18
NSPMUTE
21
SCDT
29
LRCK
22
SCSHIFT
9
OUTL2
6
OUTR1
11
OUTL1
4
OUTR2
38
FS0I
7
DIN
8
CLK
9
42
STB
30
F1
F2
Q105, 106
DC
DETECT
(+)
(–)
Q107, 108
DC
DETECT
(+)
(–)
IC110
STREAM PROCESSOR
31
DATA
36
XFSIIN
30
BCK
23
SCLATCH
27
INIT
18
19
NSPMUTE
SOFTMUTE
SCDT
29
LRCK
22
21
SCSHIFT
4
OUTR2
11
OUTL1
6
OUTR1
9
OUTL2
38
FS0I
37
FS0CKO
48
XFS0IN
48
XFS0IN
48
XFS0IN
Q109, 110
DC
DETECT
SURR
R
SD
13
2
PWMBP
17
4
PWMAP
RESET
(+)
(–)
OUTB
OUTA
IC105
POWER DRIVER
SD
13
13
2
PWMBP
17
4
PWMAP
RESET
OUTB
OUTA
IC104
POWER DRIVER
SD
2
PWMBP
17
4
PWMAP
RESET
OUTB
OUTA
13
IC103
POWER DRIVER
SD
2
PWMBP
17
4
PWMAP
RESET
OUTB
OUTA
13
IC102
POWER DRIVER
SD
2
PWMBP
17
4
PWMAP
RESET
OUTB
OUTA
13
IC101
POWER DRIVER
SD
2
PWMBP
17
4
PWMAP
RESET
OUTB
25
26
29
30
25
26
29
30
25
26
29
30
25
26
29
30
25
26
29
30
25
26
29
30
OUTA
Q111, 112
DC
DETECT
48
DRIVE OCP
SURR
L
CENTER
SPEAKER
WOOFER
D1
R
R
L
L
SCK
BCKO
LRCKO
LAT2
INIT
NSPMUTE
SOFTMUTE
INIT
SOFTMUTE
SCDT
SHIFT
LAT1
LAT2
LAT3
SCDT
SHIFT
D2
SCK
BCK
LRCK
LAT3
INIT
NSPMUTE
SCDT
SHIFT
D3
SCK
BCKO
LRCKO
24
OVF FLAGR
FLAGL OVF
25
OVF
19
SOFTMUTE
19
FL801
FLUORESCENT
INDICATOR TUBE
Q301
PROTECT DETECT
IC305
OSC
D1 – D3, SCK,
BCKO, LRCKO
A
AMP
SECTION
(Page 26)
X450
49.152MHz
1
DAMP SCDT
2
DAMP SHIFT
SG1 – SG16
51
DAMP LAT1
52
DAMP LAT2
53
DAMP LAT3
54
DAMP INIT
55
DAMP SOFT MUTE
47
DRIVE RST
OVF
49
OVERFLOW1
OVF2
50
OVERFLOW2
14 – 29
GR2 – GR12
GR1
G1
47 – 31
74
KEY INT
4
SIRCS–IN
IC801
REMOTE CONTROL
RECEIVER
97,95,94
KEY0 – KEY2
KEY0
S801 – S808
10
ENA
S800
VOLUME
ENCODER
11
ENB
15
13
X502
5MHz
Xin
Xout
LPF
LPF
LPF
LPF
LPF
LPF
LPF
LPF
LPF
LPF
LPF
LPF
Q802
FL DRIVER
FAN
FAN
DRIVE
Q302-304
+12V
14
XFS0OUT
SOFTMUTE
OVF2
SOFTMUTE
SR
SR
SL
SL
C
C
WF
WF
VOLUME
25
FLAGL OVF
24
OVF FLAGR
OVF2
J202
w
w
w
.
x
i
a
o
y
u
1
6
3
.
c
o
m
Q
Q
3
7
6
3
1
5
1
5
0
9
9
2
8
9
4
2
9
8
T
E
L
1
3
9
4
2
2
9
6
5
1
3
9
9
2
8
9
4
2
9
8
0
5
1
5
1
3
6
7
3
Q
Q
TEL 13942296513 QQ 376315150 892498299
TEL 13942296513 QQ 376315150 892498299
http://www.xiaoyu163.com
http://www.xiaoyu163.com

Table of Contents

Other manuals for Sony HCD-DZ100

Related product manuals