EasyManua.ls Logo

Sony HCD-DZ100 - Schematic Diagrams; DMB11 Board Schematic (4;5)

Sony HCD-DZ100
86 pages
Print Icon
To Next Page IconTo Next Page
To Next Page IconTo Next Page
To Previous Page IconTo Previous Page
To Previous Page IconTo Previous Page
Loading...
3434
HCD-DZ100
HCD-DZ100
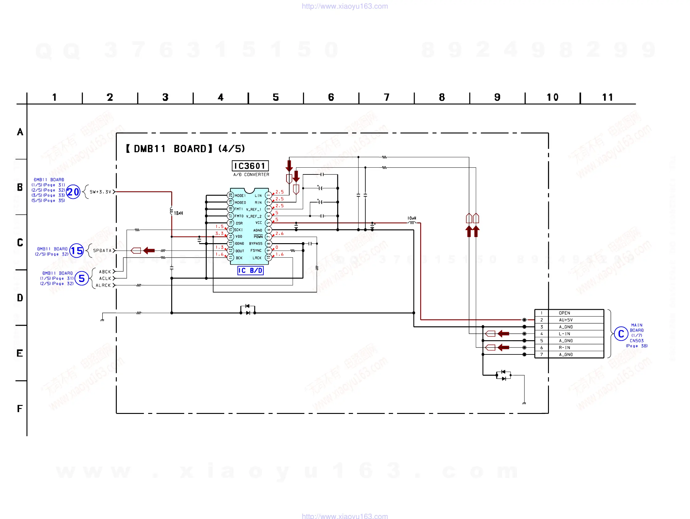
5-11. SCHEMATIC DIAGRAM – DMB11 BOARD (4/5) –
JL3516
JL3517
JL3518
JL3519
JL3520
JL3521
C3601
C3603
C3611 C3621
L3601
R3605
R3606
R3609
IC3601
CN302
R3602
C3602
R3603
R3621
R3611
C3609
C3608
R3607
C3605
C3610
C3607
L3602
C3606
R3601
D3602
D3601
D3501
D3502
0
10
10V
F
0.1
16V
B
0.01
25V
B
0.01
25V
B
0
0
PCM1803DBR
7P
100
0.1 16V B
10k
100
100
10 16V
10 16V
0
47 6.3V
0.1 16V B
0.1 16V B
0.1 16V B
100
1SS355TE-17
1SS355TE-17
1SS355TE-17
1SS355TE-17
See page 52 for IC Block Diagram.
w
w
w
.
x
i
a
o
y
u
1
6
3
.
c
o
m
Q
Q
3
7
6
3
1
5
1
5
0
9
9
2
8
9
4
2
9
8
T
E
L
1
3
9
4
2
2
9
6
5
1
3
9
9
2
8
9
4
2
9
8
0
5
1
5
1
3
6
7
3
Q
Q
TEL 13942296513 QQ 376315150 892498299
TEL 13942296513 QQ 376315150 892498299
http://www.xiaoyu163.com
http://www.xiaoyu163.com

Table of Contents

Other manuals for Sony HCD-DZ100

Related product manuals