EasyManua.ls Logo

Sony HCD-DZ100 - Block Diagrams; Power Section Block Diagram

Sony HCD-DZ100
86 pages
Print Icon
To Next Page IconTo Next Page
To Next Page IconTo Next Page
To Previous Page IconTo Previous Page
To Previous Page IconTo Previous Page
Loading...
2828
HCD-DZ100
HCD-DZ100
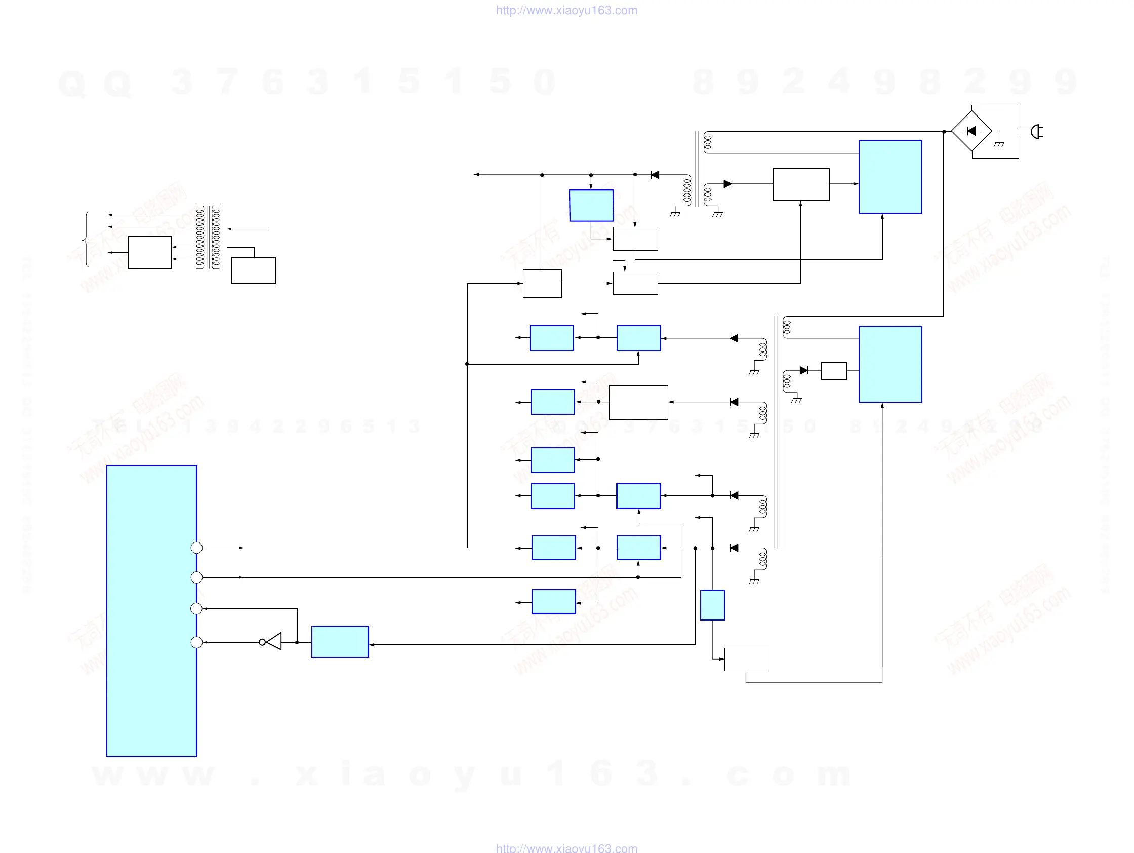
5-5. BLOCK DIAGRAM – POWER SECTION –
F1
F2
VFL
TO FLUORESCENT
INDICATOR TUBE
DC/DC
CONVERTER
T801
IC511
RESET
RECT
D801,802
D804,805
OSC
Q801
12RESET
20AC_CUT
44P CONT2
IC509 (4/4)
SYSTEM CONTROLLER
+5V
Q506
40P CONT1
IC941
+12V REG
IC931
VOLTAGE
DETECT
IC515
+9V REG
D943
D942
D944
D941
D922
Q921
IC921
POWER
PROTECTION
T902
TRANSFORMER (SUB)
T901
TRANSFORMER(MAIN)
PC902
PHOTO
COUPLER
D931
D905
Q943,947
PC901
PC903
D901
E4V
E 4V
RF +3.3V
+31.5V
IC901
POWER
PROTECTION
AC IN
+3.3V
+5V
PHOTO
COUPLER
PHOTO
COUPLER
REG
IC107
+3.3V REG
IC105
+3.3V REG
IC942
+5V REG
IC943
+3.3V REG
IC951
VOLTAGE
DETECT
IC106
+1.8V REG
IC303
+1.8V REG
+6V
M -8V
VOLTAGE
DETECT
Q901
VOLTAGE
CONTROLLER
Q945
MOTOR DRIVE
CONTROLLER
+3.3V
IC516
+5V REG
+5V
+9V
+12V
+1.8V
+1.8V
w
w
w
.
x
i
a
o
y
u
1
6
3
.
c
o
m
Q
Q
3
7
6
3
1
5
1
5
0
9
9
2
8
9
4
2
9
8
T
E
L
1
3
9
4
2
2
9
6
5
1
3
9
9
2
8
9
4
2
9
8
0
5
1
5
1
3
6
7
3
Q
Q
TEL 13942296513 QQ 376315150 892498299
TEL 13942296513 QQ 376315150 892498299
http://www.xiaoyu163.com
http://www.xiaoyu163.com

Table of Contents

Other manuals for Sony HCD-DZ100

Related product manuals