EasyManua.ls Logo

Sony HCD-DZ100 - Schematic Diagrams; Panel Section Schematic

Sony HCD-DZ100
86 pages
Print Icon
To Next Page IconTo Next Page
To Next Page IconTo Next Page
To Previous Page IconTo Previous Page
To Previous Page IconTo Previous Page
Loading...
4646
HCD-DZ100
HCD-DZ100
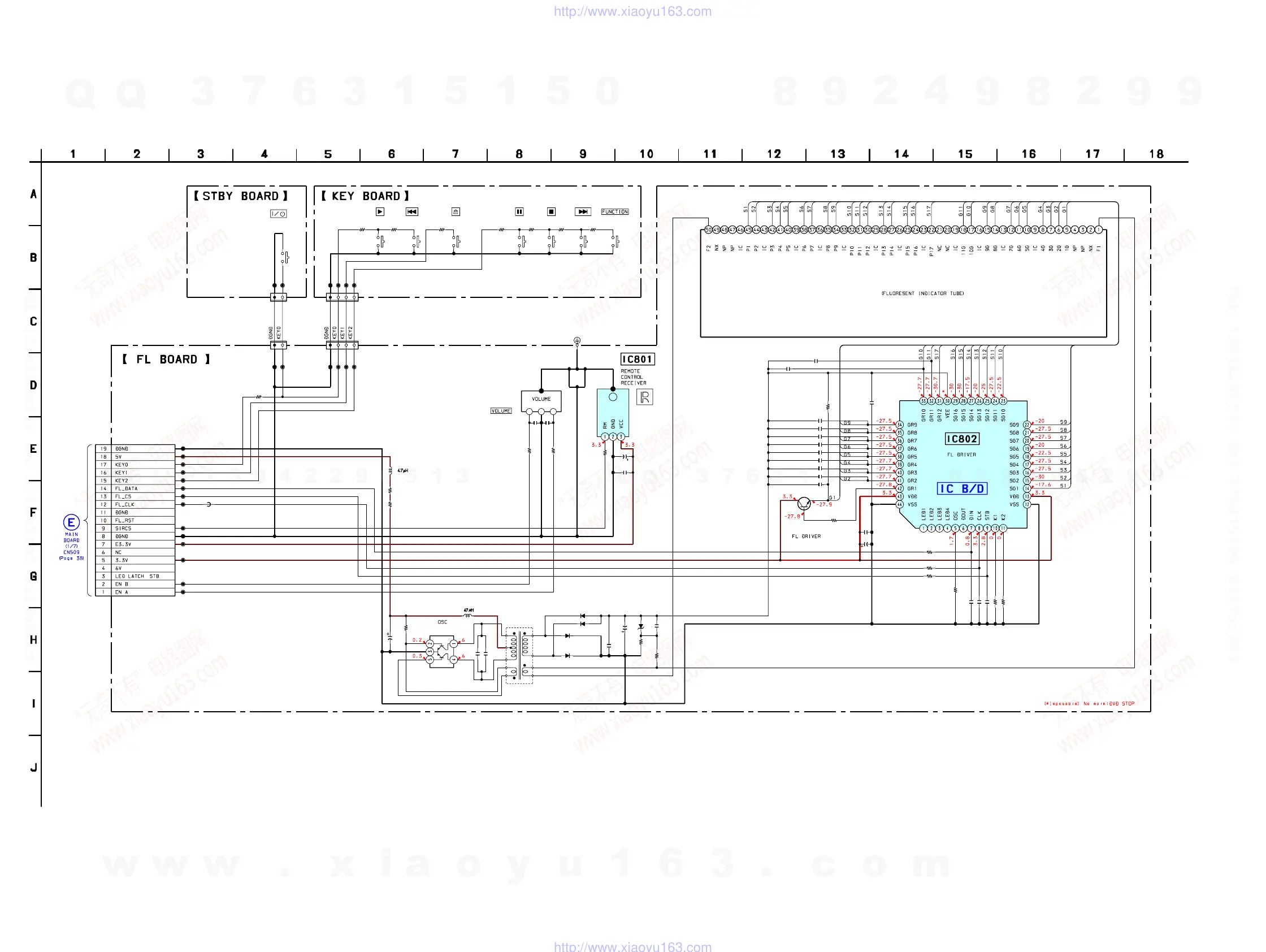
5-23. SCHEMATIC DIAGRAM – PANEL SECTION –
• See page 55 for IC Block Diagram.
R857
R819
C809
R802
Q801
C814
R
81
2
L801
C803
C804
C805
R854
S801
S802 S803 S804 S805 S806S808
T
P
8
2
0
T
P
82
1
T
P
8
2
3
T
P
82
4
T
P
8
2
5
T
P
82
6
T
P
83
1
T
P
8
3
2
TP
8
34
T
P
83
5
TP
8
36
T
P
8
3
7
S807
R805
L802
Q802
R817
R800
R853
R851
R855 R856 R852
FL801
TP801
TP802
TP805
TP807
TP808
TP809
TP812
TP813
TP814
TP815
TP816
TP817
TP818
TP819
D802
D
80
3
CNP806
S800
IC801
R811
R814
R815
R816
R810
C
8
0
6
C
8
0
7
C
80
8
IC802
PT6315
R820
R813
R822R821
R804
R801
C802
D805
D804
D801
T801
DC-DC CONVERTER
CN801
CNP801 CN805
FB806
C
8
01
C
80
0
C811
C820
C819
CNP802
CN804
C824
C826
C825
C823
C822
C821
C818
C817
C816
C815
C813
C812
C810
2.2k 2.2k
47
10
50V
100
CPH5504-TL-E
10 50V
10
0
k
100
10V 0.01
50V
0.1
16V
SW. KEY
SW. KEY SW. KEY SW. KEY SW. KEY SW. KEYSW. KEY SW. KEY
0
2SC3052EF-T1-LEF
1k
1k
2.2k
1k
1k 2.2k 4.7k
1SS355TE-17
U
D
Z
S
T
E
-1
7
6
.2B
1P WIRE
CHASSIS
ROTARY ENCODER
NJL23H400A
82k
100
100
100
0
100
p
5
0V
1
00
p
5
0V
10
0p
50V
100k
100k
00
3.9k
33k
47
50V
1SS355TE-17
1SS355TE-17
1SS355TE-17
19P
2P 4P
0UH
0
.0
2
2
5
0
V
0
.00
4
7
5
0
V
0.01
25V
0.01
25V
0.01
25V
4P
2P
0.01 50V
220p 50V
220p 50V
220p 50V
220p 50V
220p 50V
220p 50V
220p 50V
220p 50V
220p 50V
220p 50V
220p 50V
0.1 16V
w
w
w
.
x
i
a
o
y
u
1
6
3
.
c
o
m
Q
Q
3
7
6
3
1
5
1
5
0
9
9
2
8
9
4
2
9
8
T
E
L
1
3
9
4
2
2
9
6
5
1
3
9
9
2
8
9
4
2
9
8
0
5
1
5
1
3
6
7
3
Q
Q
TEL 13942296513 QQ 376315150 892498299
TEL 13942296513 QQ 376315150 892498299
http://www.xiaoyu163.com
http://www.xiaoyu163.com

Table of Contents

Other manuals for Sony HCD-DZ100

Related product manuals