EasyManua.ls Logo

Sony HCD-DZ100 - Schematic Diagrams; Main Board Schematic (6;7)

Sony HCD-DZ100
86 pages
Print Icon
To Next Page IconTo Next Page
To Next Page IconTo Next Page
To Previous Page IconTo Previous Page
To Previous Page IconTo Previous Page
Loading...
4343
HCD-DZ100
HCD-DZ100
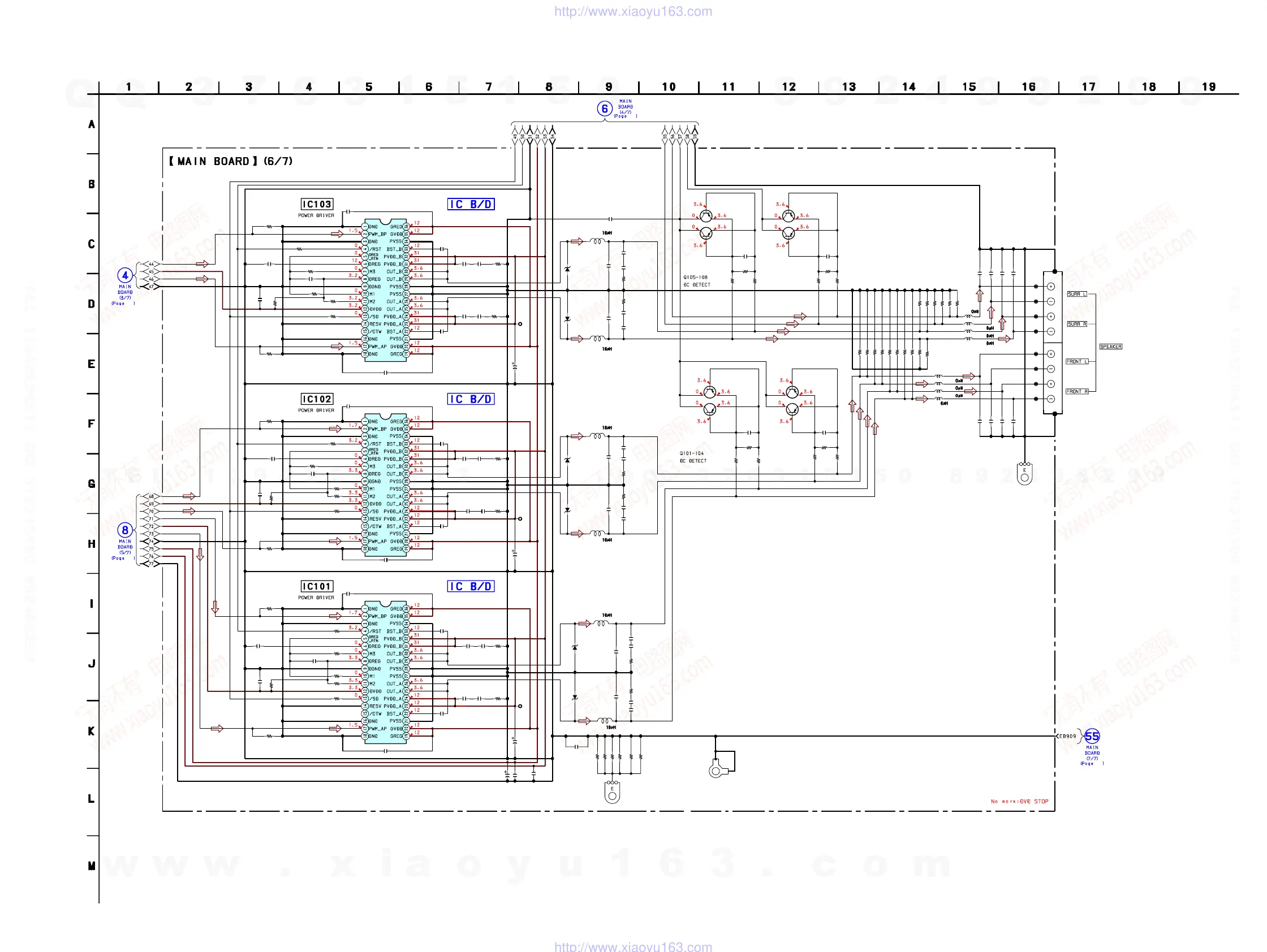
5-20. SCHEMATIC DIAGRAM – MAIN BOARD (6/7) –
40
42
44
41
R131
R171
L101
L111
R161
R151
R141
L131
L121
R132
R172
L102
L112
R162
R152
R142
L132
L122
R133
R173
L103
L113
R163
R153
R143
L133
C110 0.001
L123
L104
L114
C394
R108
R111
R112
C
2
7
5
C
27
6
C
2
77
C
2
7
8
J201
C
2
9
7
C
2
9
8
C
29
9
R109
R110
R113
C181
C131
C221
C211
C191
C132
C222
C212
C192
C223
C213
C193
C366
Q102
Q101
Q104
Q103
Q106
Q105
Q108
Q107
D
1
0
3
D
2
0
3
D
2
0
2
D
1
0
2
D
1
0
1
D
2
01
C188
IC101
IC102
IC103
R241
R242
R243
TP385
TP386
TP384
EB906
TP379
TP378
TP377
TP376
TP383
TP382
TP381
TP380
EP909
EB911
R
4
7
3
R
4
7
4
R
4
7
5
R
4
7
2
C183
C206 C173 R203
C205 C163
R193
C153
C113
C103
C182
C172C204 R202
C152
C203 C162
R192
C112
C142
C143
C133
C190
C189
C202 C171 R201
C151
C201 C161
R191
C141
C111
C286
C263
R223
R213
C253
C285
C367 C350
C284
C262
R222
R212
C252
C283
R211
C251
C281
R221
C282
C261
R405
R363
R406
C393
R407
R364
R408
C391
R361
R401 R402
R403
C392
R362
R404
R
4
5
6
R
4
8
7
R
4
5
7
R
4
8
8
R
4
8
9
R
4
5
8
R
4
9
0
R
4
5
9
R
4
6
3
R464
R
4
9
1
R
4
6
0
R
4
9
2
R
4
6
1
R
4
9
3
R
4
6
2
C
29
6
C102
C101
0
0
0
0
0
0
0
0
0
0
0
0
0
0
0
2.2
16V
F
22k
22k
22k
0
.0
1
50
V
0
.0
1
50
V
0
.0
1
50
V
0
.0
1
50
V
TERMINAL BOARD
0
.0
1
50
V
0.0
1
50
V
0
.01
50
V
22k
22k
22k
0.033 50V B
0.1
25V
F
1
50V
1
50V
2200 35V
0.1
25V
F
1
50V
1
50V
2200
35V
1
50V
1
50V
2200
35V
220
16V
2SA1235TP-1EF
2SA1235TP-1EF
2SA1235TP-1EF
2SA1235TP-1EF
2SA1235TP-1EF
2SA1235TP-1EF
2SA1235TP-1EF
2SA1235TP-1EF
P
6
S
M
B
3
9
A
T
3
P
6
S
M
B
3
9
A
T
3
P
6
S
M
B
3
9
A
T
3
P
6
S
M
B
3
9
A
T
3
P
6
S
M
B
3
9
A
T
3
P
6
S
M
B
3
9
A
T
3
0.1 25V F
CXD9774M
CXD9774M
CXD9774M
100
100
100
TERMINAL BOARD
PLATE GROUND
TERMINAL BOARD
0
0
0
0.033 50V
0.22
50V
0.22
50V
3.3
0.22
50V
0.22
50V 3.3
0.033 50V
1 16V
1 16V F
0.033 50V
0.22
50V
0.22
50V
3.3
0.033 50V
0.22
50V
0.22
50V 3.3
1 16V F
0.1 25V
0.1 25V
0.1
25V
0.1 25V
0.1 25V
0.22
50V
0.22
50V
3.3
0.033 50V
0.22
50V
0.22
50V 3.3
0.1 25V
1 16V
0.0022 50V
0.0022 50V
2.7
2.7
0.0022 50V
0.0022 50V
0.1
25V
0.1
50V
0.0022 50V
0.0022 50V
2.7
2.7
0.0022 50V
0.0022 50V
2.7
0.0022 50V
0.0022 50V
2.7
0.0022 50V
0.0022 50V
100k
100k
100k
2.2
16V
100k
100k
100k
2.2
16V
100k
100k 100k
100k
2.2
16V
100k
100k
1
0
k
1
0
k
1
0
k
1
0
k
1
0
k
1
0
k
1
0
k
1
0
k
1
0
k
10k
1
0
k
1
0
k
1
0
k
1
0
k
1
0
k
1
0
k
0
.0
1
50
V
1 16V F
1 16V F
C119
100P
R
4
7
8
0
R
4
7
9
0
See page 53 for IC Block Diagrams.
w
w
w
.
x
i
a
o
y
u
1
6
3
.
c
o
m
Q
Q
3
7
6
3
1
5
1
5
0
9
9
2
8
9
4
2
9
8
T
E
L
1
3
9
4
2
2
9
6
5
1
3
9
9
2
8
9
4
2
9
8
0
5
1
5
1
3
6
7
3
Q
Q
TEL 13942296513 QQ 376315150 892498299
TEL 13942296513 QQ 376315150 892498299
http://www.xiaoyu163.com
http://www.xiaoyu163.com

Table of Contents

Other manuals for Sony HCD-DZ100

Related product manuals