EasyManua.ls Logo

Sony HCD-DZ100 - IC Block Diagrams; I;O Board IC Block Diagrams; DMB11 Board IC Block Diagrams

Sony HCD-DZ100
86 pages
Print Icon
To Next Page IconTo Next Page
To Next Page IconTo Next Page
To Previous Page IconTo Previous Page
To Previous Page IconTo Previous Page
Loading...
52
HCD-DZ100
IC Block Diagrams
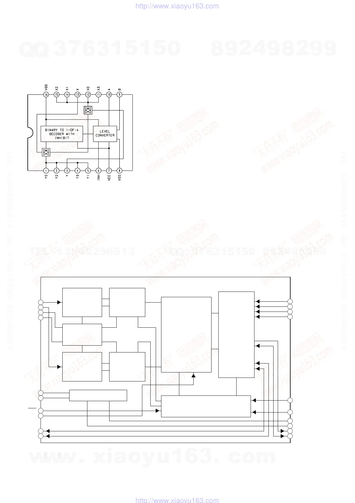
IC602 MC14052BDR2
IC3601 PCM1803DBR
– I/O Board –
– DMB11 Board –
VINL 1
VINR
2
VERF1
3
VERF2
4
VCC
5
AGND
6
PDWN 7
BYPAS
8
FSYNC
9
LRCK
10
MODE120
MODE0
19
FMT1
18
FMT0
17
OSR16
SCKI15
VDD
14
DGCD
13
DOUT
12
BCK
11
Single-End
/Differential
Converter
5 th Order
Delta-Sigma
Modulator
5 th Order
Delta-Sigma
Modulator
Reference
Single-End
/Differential
Converter
× 1/64 (× 1/128)
Decimation
Filter
with
DC Cut Filter
Power Supply
Clock and Timing Control
Serial
Interface
Mode/
Format
Control
w
w
w
.
x
i
a
o
y
u
1
6
3
.
c
o
m
Q
Q
3
7
6
3
1
5
1
5
0
9
9
2
8
9
4
2
9
8
T
E
L
1
3
9
4
2
2
9
6
5
1
3
9
9
2
8
9
4
2
9
8
0
5
1
5
1
3
6
7
3
Q
Q
TEL 13942296513 QQ 376315150 892498299
TEL 13942296513 QQ 376315150 892498299
http://www.xiaoyu163.com
http://www.xiaoyu163.com

Table of Contents

Other manuals for Sony HCD-DZ100

Related product manuals