EasyManua.ls Logo

Sony HCD-EA20 - IC Block Diagrams

Sony HCD-EA20
102 pages
Print Icon
To Next Page IconTo Next Page
To Next Page IconTo Next Page
To Previous Page IconTo Previous Page
To Previous Page IconTo Previous Page
Loading...
59
HCD-EA20
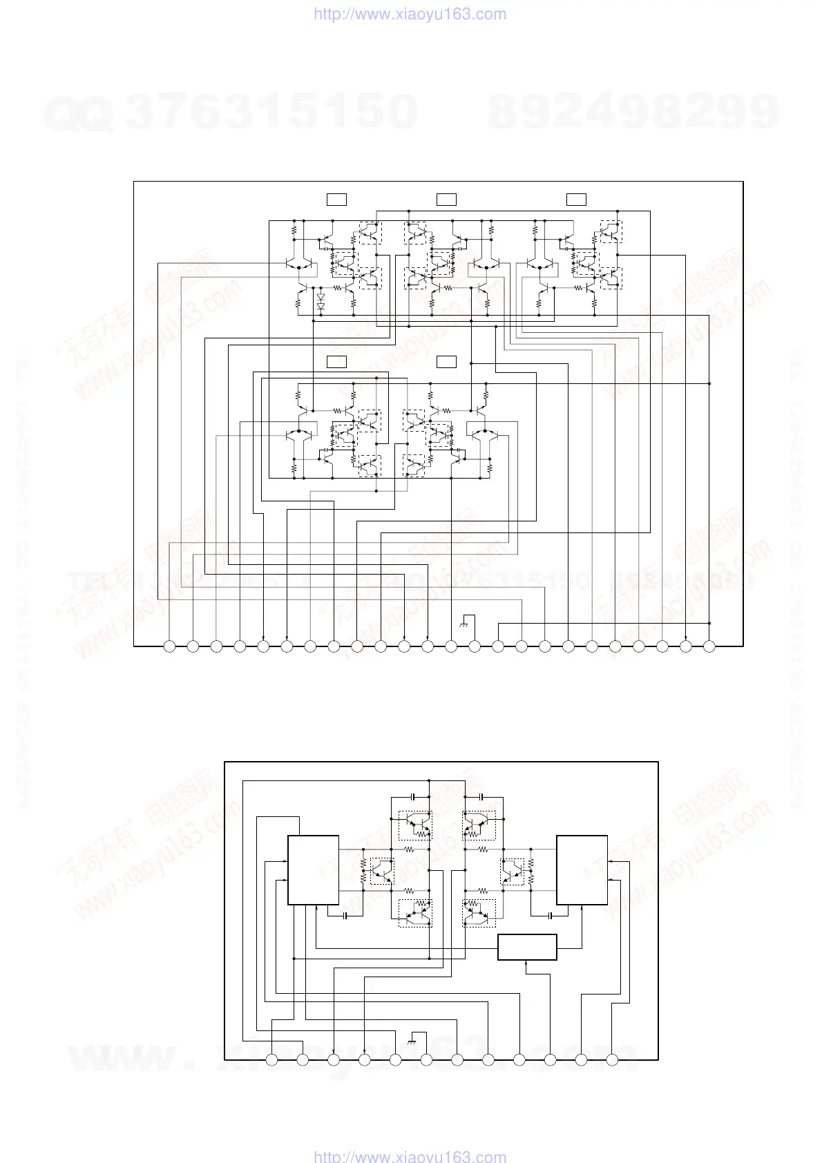
6-27. IC BLOCK DIAGRAMS
– AMP BOARD –
IC301 STK402-920
21 3 4 5 6 7 8 9 10 11 12 13 14 15 16 17 18 19 20 21 22 23 24
CH5 IN
CH5 NF
CH4 IN
CH4 NF
CH4 OUT
CH5 OUT
+VCC
-VCC
CH1 OUT
+PRE VCC
-PRE VCC
CH1 NF
-VCC
+VCC
CH2 OUT
SUB GND
CH1 IN
BIAS
CH2 NF
CH2 IN
CH3 IN
CH3 NF
CH3OUT
-PRE VCC
SUB
CH1 CH2
CH4 CH5
CH3
TR1
TR6
R1
R2
R3
R4
TR3
TR4
TR2
TR5
C1
BIAS CIRCUIT
C2
R5
R6
R7
R8
C3
C4
PRE DRIVER
IC CH2
PRE DRIVER
IC CH1
1 2 3 4 5 6 7 8 9 10 11 12
-VCC
+VCC
CH1 OUT
CH2 OUT
+PRE
SUB
SUB
GND
CH1 IN
CH1 NF
ST-BY
CH2 NF
CH2 IN
IC401 STK403-030
w
w
w
.
x
i
a
o
y
u
1
6
3
.
c
o
m
Q
Q
3
7
6
3
1
5
1
5
0
9
9
2
8
9
4
2
9
8
T
E
L
1
3
9
4
2
2
9
6
5
1
3
9
9
2
8
9
4
2
9
8
0
5
1
5
1
3
6
7
3
Q
Q
TEL 13942296513 QQ 376315150 892498299
TEL 13942296513 QQ 376315150 892498299
http://www.xiaoyu163.com
http://www.xiaoyu163.com

Related product manuals