EasyManua.ls Logo

Sony HCD-ECL77BT - Schematic Diagram - MAIN Board (1;8)

Sony HCD-ECL77BT
44 pages
Print Icon
To Next Page IconTo Next Page
To Next Page IconTo Next Page
To Previous Page IconTo Previous Page
To Previous Page IconTo Previous Page
Loading...
HCD-ECL77BT/ECL99BT
HCD-ECL77BT/ECL99BT
2222
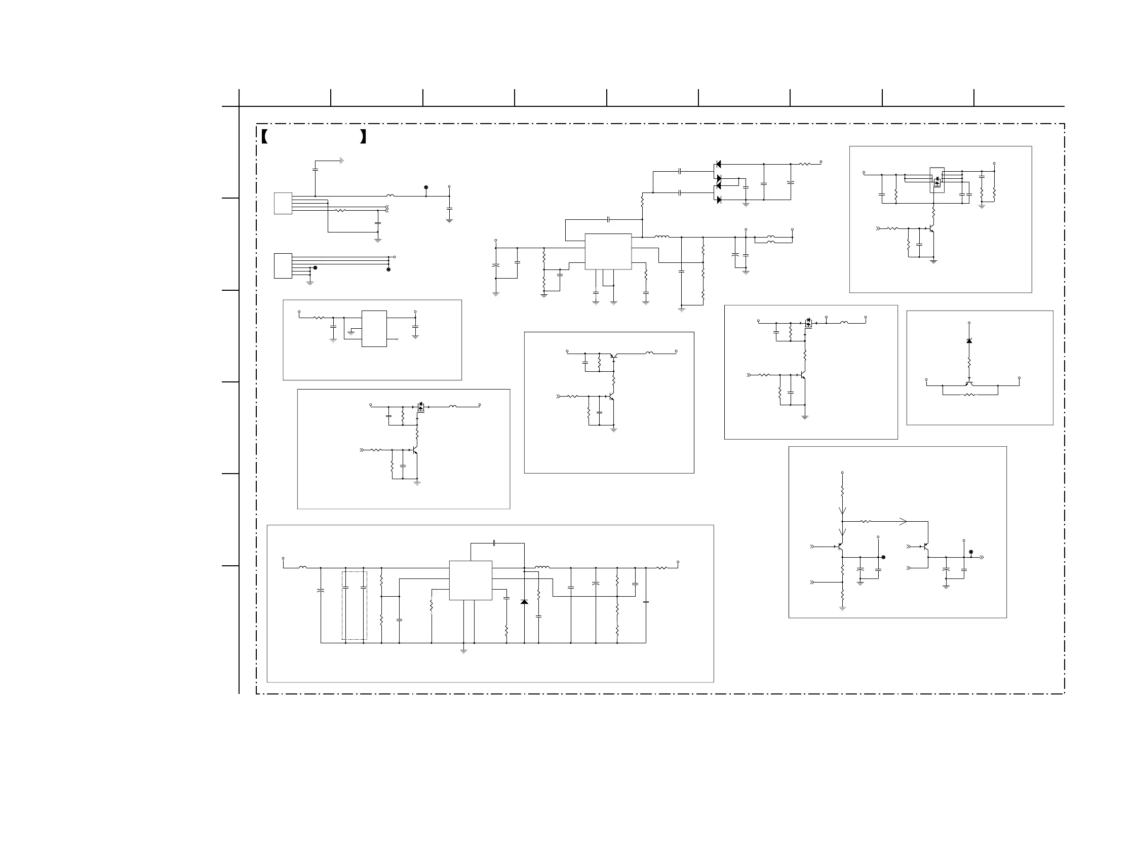
5-4. SCHEMATIC DIAGRAM - MAIN Board (1/8) -
A
386
E
2 9
D
5
B
C
714
(1/8)MAIN BOARD
F
STANDBY:40mA
Imax: 570mA
STANDBY:25mA
Imax: 368mA
STANDBY:15mA
Imax: 202mA
POWER CONTROL 5V
V2.1 & V3.3 METSYSPOWER CONTROL VFD12V
POWER INPUT
STB_5V ĺSTB_3.3V
0.923V
POWER CONTROL AMP_36V
36Vĺ12V
VOUT=0.8*(150+10.62)/10.62=12.1
POWER CONTROL VFD_-24V
POWER CONTROL FM_36V
Close to U3_MP2560
STB_5V
STB_5V
STB_3.3V
36V_MAIN
VCC_D
VCC_D
VC12
DVCC3
+12V
V_12V
36V
M+5V
STB_5V
+12V
-24V
36V
AMP_36V
36V_MAIN
+12V
V_12V
-24V
V_-24V
36V_MAIN
FM_36V
USB_5V
1
3
2
1
2
34
5
1
2
3
4
5
67
8
9
1
3
2
1
2
3
4
5
1
2
3
4
5
6
4
1
2
3
8
7
6
5
7
2
1
5
4
36
8
9
R99
200K/1%
R99
200K/1%
C15
0.1uF/50V/X7R
C15
0.1uF/50V/X7R
R27
620/1%
R27
620/1%
L1
6.8uH/2.4A
L1
6.8uH/2.4A
R510 NC/0R510 NC/0
C1931uF/50V/Y5V C1931uF/50V/Y5V
R19
1.8/2W
R19
1.8/2W
R18
150K
R18
150K
C145
0.01uF/50V/X7R
C145
0.01uF/50V/X7R
C14C14
R24
10K
R24
10K
C146
0.1uF/50V/X7R
C146
0.1uF/50V/X7R
C18
0.1uF/25V/X5R
C18
0.1uF/25V/X5R
D2
BAT54S
D2
BAT54S
C6
0.1uF/25V/X5R
C6
0.1uF/25V/X5R
R169
220K
R169
220K
C4
0.1uF/50V/X7R
C4
0.1uF/50V/X7R
220uF/50V
CE18
220uF/50V
CE18
TP2TP2
Q3
NPN_3DG3904M
Q3
NPN_3DG3904M
C10
1uF/25V/Y5V
C10
1uF/25V/Y5V
R16
47K
R16
47K
Q4
NPN_3DG3904M
Q4
NPN_3DG3904M
GND_1GND_1
220uF/16V
CE5
220uF/16V
CE5
Q754
NPN_3DG3904M
Q754
NPN_3DG3904M
R14
10K
R14
10K
R97
150K/1%
R97
150K/1%
C2330.1uF/50V/X7R C2330.1uF/50V/X7R
C1
100pF/50V/NP0
C1
100pF/50V/NP0
R168
120K/1%
R168
120K/1%
C17
4.7uF/16V/Y5V
C17
4.7uF/16V/Y5V
FB6 10/2AFB6 10/2A C32
0.1uF/25V/X5R
C32
0.1uF/25V/X5R
R3
100K
R3
100K
Q12
NPN_3DG3904M
Q12
NPN_3DG3904M
Q5
PNP_3CA8550D
Q5
PNP_3CA8550D
C5
0.1uF/50V/X7R
C5
0.1uF/50V/X7R
U2
LDO_G9091-330T11U
U2
LDO_G9091-330T11U
100uF/16V
CE4
100uF/16V
CE4
ZD751
ZMM27/27V
ZD751
ZMM27/27V
FB5 120/2AFB5 120/2A
R1754.7K R1754.7K
C27
0.1uF/50V/X7R
C27
0.1uF/50V/X7R
C22
0.1uF/25V/X5R
C22
0.1uF/25V/X5R
R5
10K/1%
R5
10K/1%
R9
100K
R9
100K
C16
2.2uF/10V/Y5V
C16
2.2uF/10V/Y5V
R23
20K/1%
R23
20K/1%
R762
4.7K
R762
4.7K
R784
NC/33
R784
NC/33
R167
4.7K
R167
4.7KU1
AS5430A
U1
AS5430A
D1
BAT54S
D1
BAT54S
R25
12K/1%
R25
12K/1%
R7
620/1%
R7
620/1%
R11
47K
R11
47K
100uF/16V
CE3
100uF/16V
CE3
R264
10K
R264
10K
100uF/16V
CE1
100uF/16V
CE1
C770
NC/470pF/50V/X7R
C770
NC/470pF/50V/X7R
R100
100K
R100
100K
R4
NC/47K
R4
NC/47K
L2 22uH/3.3AL2 22uH/3.3A
C26
0.1uF/50V/X7R
C26
0.1uF/50V/X7R
R29
10K
R29
10K
R26
47K
R26
47K
R20 0R20 0
R17
10K
R17
10K
C771
NC/470pF/50V/X7R
C771
NC/470pF/50V/X7R
C763
10uF/16V/X7R
C763
10uF/16V/X7R
R21 5.6/1WR21 5.6/1W
36V_136V_1
R101
10K
R101
10K
FB2
120/2A
FB2
120/2A
Q16
NPN_3DG3904M
Q16
NPN_3DG3904M
C19
0.1uF/25V/X5R
C19
0.1uF/25V/X5R
R28 4.7KR28 4.7K
22uF/50V
CE2
22uF/50V
CE2
XP20
5PIN/2.0mm
XP20
5PIN/2.0mm
D606
SS24/40V/2A
D606
SS24/40V/2A
220uF/16V
CE13
220uF/16V
CE13
R22
2.2
R22
2.2
C29
NC/0.1uF/25V/Y5V
C29
NC/0.1uF/25V/Y5V
C3
0.01uF/50V/X7R
C3
0.01uF/50V/X7R
FB7 120/2AFB7 120/2A
R272 0R272 0
C234
NC/1uF/50V/Y5V
C234
NC/1uF/50V/Y5V
FB3 10/2AFB3 10/2A
C25 0.1uF/50V/X7RC25 0.1uF/50V/X7R
R8 0R8 0
C12
3900pF/50V/X7R
C12
3900pF/50V/X7R
C21
0.1uF/25V/X5R
C21
0.1uF/25V/X5R
TP1TP1
R770 1KR770 1K
Q6
PNP_3CA8550D
Q6
PNP_3CA8550D
C23
0.1uF/50V/X7R
C23
0.1uF/50V/X7R
XP1
6PIN/2.0mm
XP1
6PIN/2.0mm
R13
47K
R13
47K
Q10
P_AP9561AGM
Q10
P_AP9561AGM
U3
MP2560DN
U3
MP2560DN
FB27 120/2AFB27 120/2A
R6
6.8K
R6
6.8K
C235
1UF/100V/X7R
C235
1UF/100V/X7R
C767
1uF/16V/X7R
C767
1uF/16V/X7R
FB4 120/2AFB4 120/2A
R15 4.7KR15 4.7K
Q2
P_AP2305
Q2
P_AP2305
C28
150pF/50V/NP0
C28
150pF/50V/NP0
R263
2.2
R263
2.2
Q1
P_AP2305
Q1
P_AP2305
C31
0.1uF/50V/X7R
C31
0.1uF/50V/X7R
C24 0.1uF/50V/X7RC24 0.1uF/50V/X7R
R12 4.7KR12 4.7K
C13
NC/0.1uF/25V/Y5V
C13
NC/0.1uF/25V/Y5V
C30
0.1uF/50V/X7R
C30
0.1uF/50V/X7R
Q755
PNP_3CG3906M
Q755
PNP_3CG3906M
C20
0.1uF/25V/X5R
C20
0.1uF/25V/X5R
R2
49.9K/1%
R2
49.9K/1%
R10
10K/1%
R10
10K/1%
C33
NC/0.1uF/50V/X7R
C33
NC/0.1uF/50V/X7R
36V_MAIN_136V_MAIN_1
VIN
GND
EN NC
VOUT
BS
IN
SW
GND
FB
COMPEN
SS
GND
1
2
3
4
5
1
2
3
4
5
6
VIN
EN
SW
GND
FB
COMPFREQ
BST
GND_PAD
G
DS
G
DS
8104 kernel +1.2V
++
++
++++
++
++
++
0.923*(1+49.9K/10.62K)=5.26
REGO1
TR_B1
REGO2
REGO2
TR_B2TR_B1
REGO1
VFD_FM_EN
POWER_EN
POWER_FRQ1
VC12
PCON
VFD_FM_EN
PCON
22uF/10V/Y5V22uF/10V/Y5V
close to LDO

Related product manuals