EasyManua.ls Logo

Sony HCD-EP313 - Page 29

Sony HCD-EP313
44 pages
Print Icon
To Next Page IconTo Next Page
To Next Page IconTo Next Page
To Previous Page IconTo Previous Page
To Previous Page IconTo Previous Page
Loading...
29
HCD-EP313
REC-O_L
REC-O_R
TUNER-R
TUNER-L
CD-L
AUX-L
OUT-L
OUT-R
TON_L-L
TON_L-R
AUX-R
CD-R
VSS
TON_H-R
TON_H-L
TAPE-L
TAPE-R
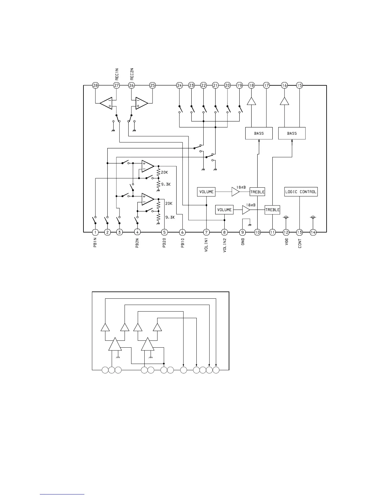
IC601 BD3881FV
– MAIN Board –
IC204 LA4636
1
DC
2
IN1
3
PRE GND
4
IN2
5
STBY
MUTE
6
VCC
7 8
–OUT2
+OUT2
PWR GND
+OUT1
–OUT1
9
11
10
12
+
+
INPUT
AMP
INPUT
AMP
OUTPUT
AMP
OUTPUT
AMP

Related product manuals