EasyManua.ls Logo

Sony HCD-HP8V - Schematic Diagram - VMP Section (1;2)

Sony HCD-HP8V
82 pages
Print Icon
To Next Page IconTo Next Page
To Next Page IconTo Next Page
To Previous Page IconTo Previous Page
To Previous Page IconTo Previous Page
Loading...
3737
HCD-HP8V
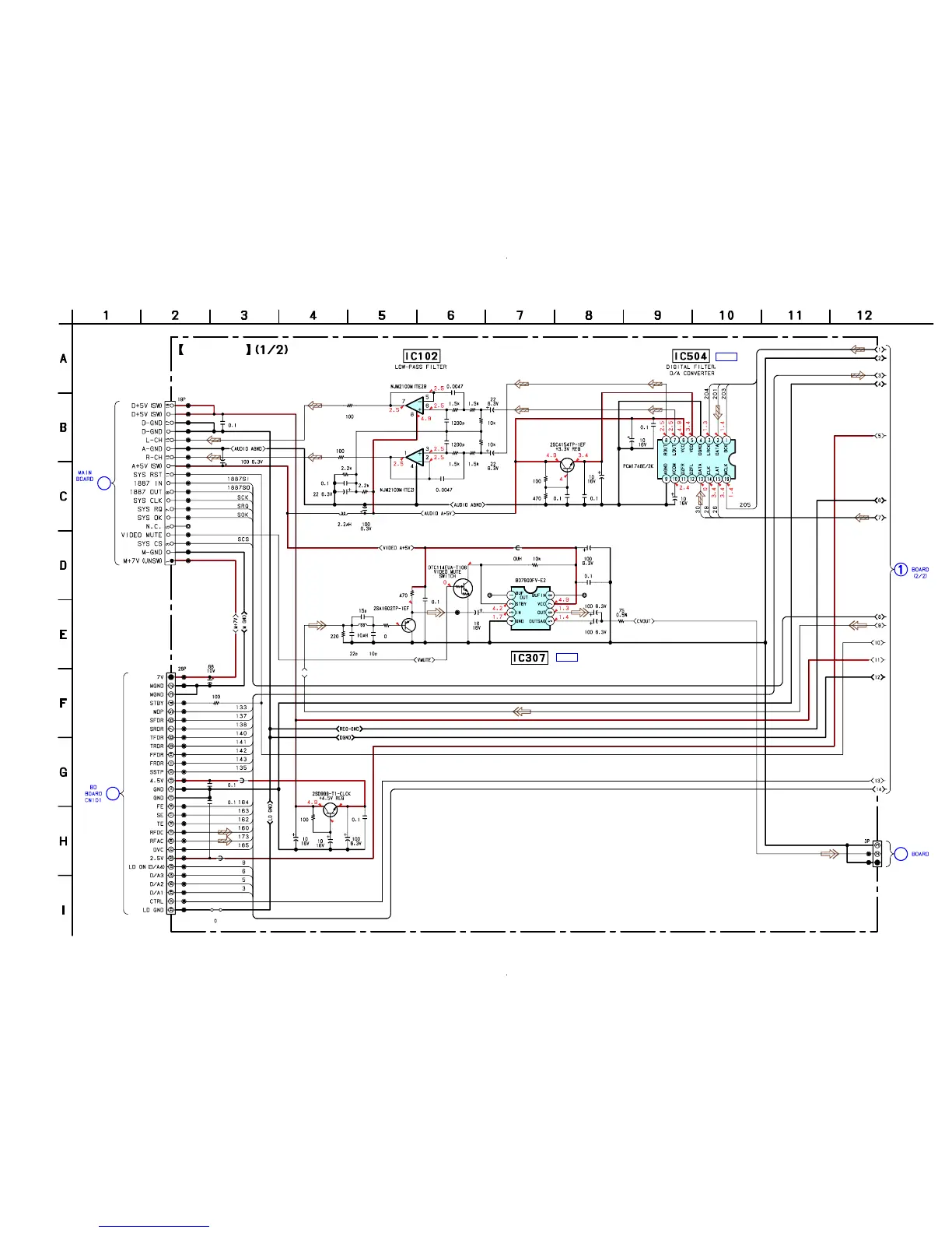
8-6. Schematic Diagram — VMP Section (1/2) — • See page 48 for IC Block Diagrams.
IC B/D
no mark:CD(STOP)
4.2
0
4.2
4.9
0.9
0.3
I
TO JACK
VMP
CN307
IC B/D
VIDEO AMP
A
J
CN301
(Page 42)
(Page 34)
VMP BOARD
BUFFER
CP
(Page 42)
(Page 38)
TP441
TP443
TP444
TP445
TP446
TP447
TP442
TP436
TP448
TP402
TP410
TP416
TP417
TP418
TP419
TP411
TP413
TP412
TP414
TP415
TP404
TP408
TP403
TP407
TP406
TP424
TP425
TP426
TP427
TP428
TP429
TP401
TP430
TP431
TP432
TP433
TP434
TP405
TP437
TP438
TP409
TP439
TP440
TP308
TP307
TP422
TP421
TP303
C115
C582
C584
C596
C597
CN101
CN201
CN301
JW203
L102
R102
R114
R115
R152
R202
R323
C104
C105
C106
C116
C154
C155
C156
C221
C222
C223
C224
C257
C338
C360
C361
C364
C581
C583
FB360
R107
R108R109
R157
R158R159
R201
R321 R322
R376
R581
R582
TP309TP310
L321
C258
C322
C323C321
C114
C366
C365
C254
C255
C259
Q581
Q301
Q201
IC102(1/2)
IC102(2/2)
IC504
Q370
IC307
R375
FB252
FB251

Table of Contents

Related product manuals