EasyManua.ls Logo

Sony HCD-HP8V - Schematic Diagram - PWR Amp;Power Section

Sony HCD-HP8V
82 pages
Print Icon
To Next Page IconTo Next Page
To Next Page IconTo Next Page
To Previous Page IconTo Previous Page
To Previous Page IconTo Previous Page
Loading...
4646
HCD-HP8V
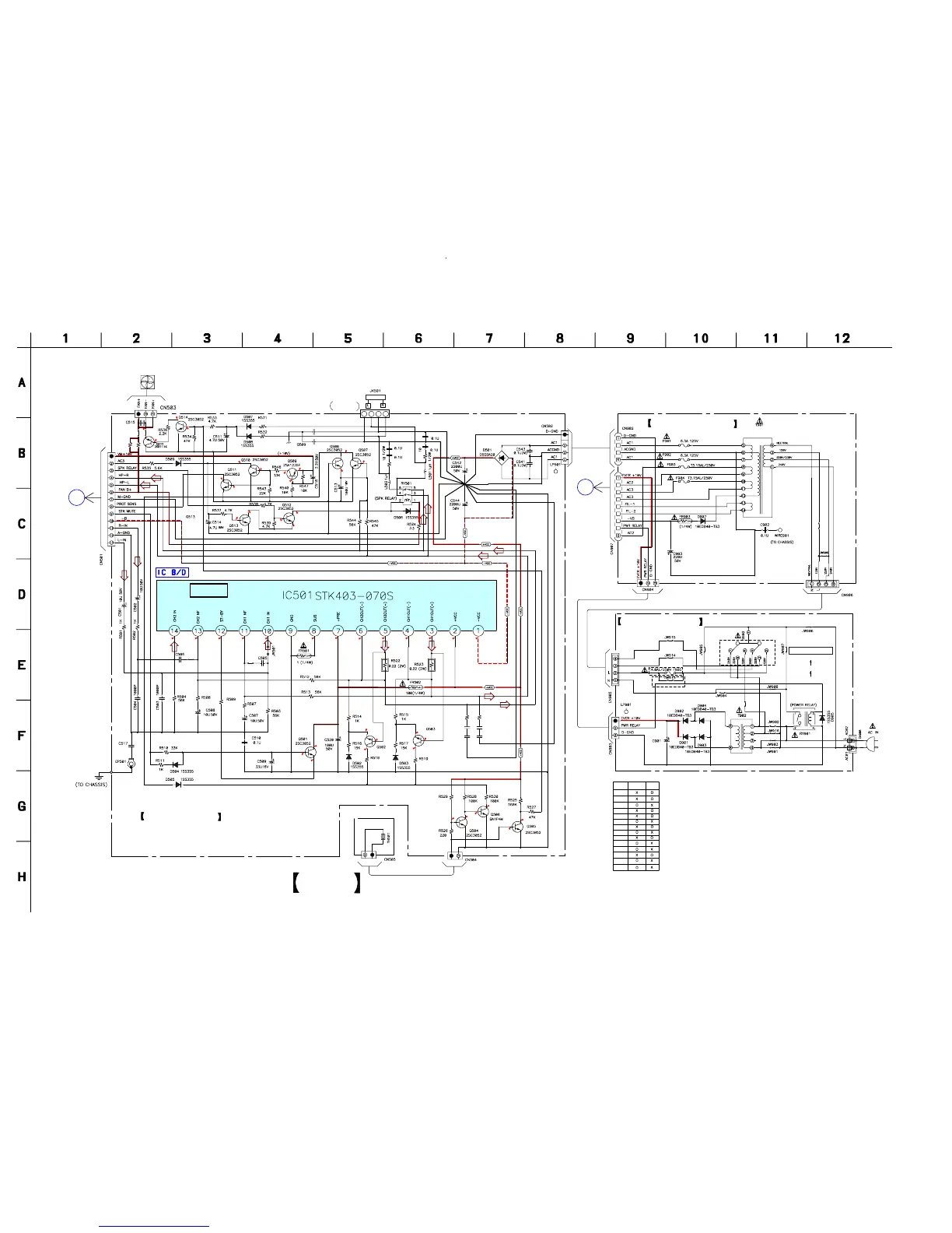
8-15. Schematic Diagram — PWR AMP/Power Section — • See page 49 for IC Block Diagrams.
0
0
0
0
0
0
0
0
0
39.4
0.6
40.7
-40.7
2.7
9.7
39.4
3.2
0
0
9.7
0
0
0
0
0
9.6
0.6
0.7
15.1
14.4
14.3
0
0
0
0.2
10
0
9.9
0
0
3.3
0.8
3.9
9.9
0.4
0.2
0.9
No mark:FM
FAN
3P
FAN DRIVE
FAN DRIVE
PROTECT SWITCH
PROTECT
SWITCH
PROTECT
SWITCH
PROTECT
CONT
Q507,508
PROTECT DETECT
(TO CHASSIS)
RELAY DRIVE
MUTE
FAN
SWITCH
Q502,503
OVER LOAD
DETECTOR
Q504,506
OVER HEAT
DETECTOR
R548
100
100
R549
+
+
-
-
SPEAKER
IMPEADANCE
USE 6-16
IC501
POWER AMP
4P
SENSOR (FAN)
BOARD
PWR AMP BOARD
*
*
SUB TRANS BOARD
POWER TRANSFORMER
(SUB)
*
*
*
*
*
*
*
*
*
*
*
*
*
*
*CN905
4P:EXCEPT TH
2P:TH
S902
VOLTAGE SELECTOR
EXCEPT TH
EXCEPT TH
120V
220V
230-240V
4P
PWR TRANS BOARD
POWER TRANSFORMER
(MAIN)
*
*CN906
4P:EXCEPT TH
2P:TH
TO
MAIN
BOARD
CN401
(Page 42)
G
9P
TO
MAIN
BOARD
CN404
(Page 42)
F
2P
2P
13P
1000U
JW912
16V
TH
JW901
JW902
JW903
JW904
JW905
JW906
JW907
JW908
JW909
JW911
JW912
JW913
JW914
JW915
EXCEPT TH
*
JW911
C531
C532
C528
C527
0.1U
0.1U
4.7K
4.7K
C530
R550
R551
C529
220P
220P
1K
1K
JR505
JR504
220P
10K
R520
10 1/2W
C524
0.1U
C526
0.1U
R521
10 1/2W
C523
0.1U
C525
0.1U
47K
2SC3143S
2SC3143S
47K
56K
JR502
C516
0.22U
0.22U
JR503
2.2

Table of Contents

Related product manuals