EasyManua.ls Logo

Sony HCD-HP8V - Timing Belt (Front;Rear); Cam (Gear)

Sony HCD-HP8V
82 pages
Print Icon
To Next Page IconTo Next Page
To Next Page IconTo Next Page
To Previous Page IconTo Previous Page
To Previous Page IconTo Previous Page
Loading...
18
HCD-HP8V
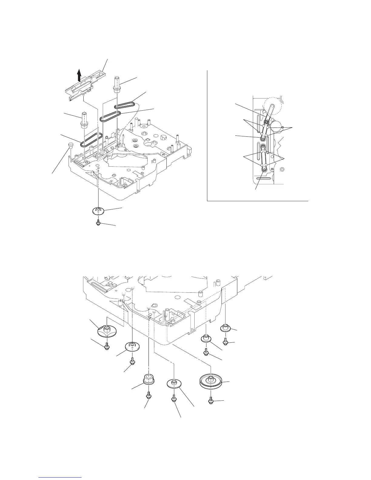
3-18. Timing Belt (Front/Rear)
3-19. Cam (Gear)
Note: Refer to assembly (Section 4)
2
gear (mode cam)
: Note
1
screw
(PTPWH2.6
×
8)
3
slider (mode cam) assy
5
two gears
(center)
7
two gears (center)
8
timing belt (rear)
9
timing belt (rear)
4
gear
(timing)
6
timing belt
(front)
timing belt
(rear)
When install three timing belts,
its pass under each claws.
timing belt
(rear)
timing belt (front)
claw
claw
claw
claw
qf
cam (gear)
: Note
qs
gear(mode cam)
0
gear
(mode C)
:Note
4
gear (mode 5)
8
gear (mode D)
6
gear (mode 5)
1
screw(PTPWH2.6
×
8)
7
screw (PTPWH2.6
×
8)
9
screw
(PTPWH2.6
×
8)
qa
screw
(PTPWH2.6
×
8)
3
screw (PTPWH2.6
×
8)
5
screw (PTPWH2.6
×
8
)
2
pulley
(mode deceleration)
qd
screw
Note: Refer to assembly
(Section 4).

Table of Contents

Related product manuals