EasyManua.ls Logo

Sony HCD-SHAKE7 - Motherboard Schematic Diagrams (Part 6); Motherboard Schematic (6;10)

Sony HCD-SHAKE7
92 pages
Print Icon
To Next Page IconTo Next Page
To Next Page IconTo Next Page
To Previous Page IconTo Previous Page
To Previous Page IconTo Previous Page
Loading...
HCD-SHAKE7
HCD-SHAKE7
3535
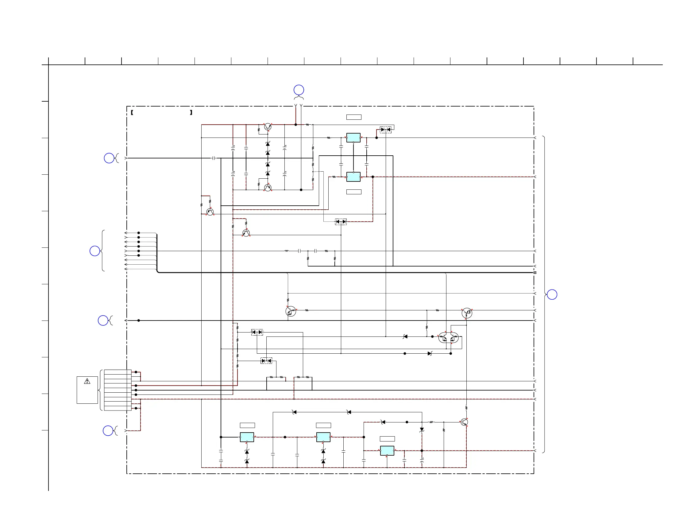
6-12. SCHEMATIC DIAGRAM - MOTHERBOARD Board (6/10) -
1
A
B
C
D
E
F
G
H
I
J
K
2 3 4 5 6 7 8 9 10 11 12 13 14 15 16 17
MOTHERBOARD BOARD (6/10)
30
31
10
11
32
33
35
37
36
38
39
40
41
34
29
19.3
18.5
20.6
-20.6
-18.5
-19.3
20.6
18.5
19.3
-20.6
-18.5
-19.3
-20.6
-5
5
20.6
5
3.3
0
0
5
50
0
3.1
5
-61
-30
-44.5
-56.5
-25.4
-25.4
-37.8
-12.6
-25.5
-12.6
BAW56
D1004
0.47
C1232
47k
R1174
47k
R1175
120k
R1212
120k
R1213
JL1022
JL1137
JL1136
JL1009
JL1010
JL1011
JL1012
LTC014EUBFS8TL
Q1049
RESET SWITCH
RESET SWITCH
C1230
0.47
0.47
C1229
50V
C1102
47
50V
C1103
47
LTA014EUBFS8TL
Q1046
RN1902
Q1016
PROTECTION
SWITCH
DZ2J068M0L
D1015
DZ2J068M0L
D1014
JL1037
JL1036
JL1086
22k
R1154
1
2
3
4
5
6
7
8
9
9P
CN1002
-VH
-VH
-VH
-VL
P-GND
+VL
+VH
+VH
+VH
JL1014
JL1015
JL1016
JL1017
JL1018
150k
R1217
0
R1057
0
R1051
0
R1050
JL1129
JL1130
/AMP-SD-FAST
FAN-PWM
/FAN-LOCK
D-GND
/DC-DETECT
/AMP-OCP
/THERMISTER
C1298
100p
PROTECTION
SWITCH
L1000
220uH
R1095
470
C1305
1000p
4.7k
R1143
/AMP-RESET
FAN-DET
/AMP-CLK
100
R1084
-VH
180k
R1215
180k
R1216
22k
R1155
R1420
1k
JL1146
JL1147
KIA7805AF-RTF/PW
IC1006
KIA7905F-RTF/PW
IC1007
C1233
0.47
C1234
0.47
C1043
0.1
C1044
0.1
0
R1139
0
R1103
LSCR523UBFS8TL
Q1051
R1433
3.9k
R1431
1
LSAR523UBFS8TL
Q1050
PROTECTION
SWITCH
3.9k
R1430
BAW56
D1003
BAV70
D1006
BAV70
D1007
1
R1428
/AMP-SD-FAST
/AMP-RESET
6.8k
R1181
6.8k
R1182
D1016
DZ2J068M0L
D1017
DZ2J068M0L
470
R1093
C1194
10 50V
C1195
10 50V
+18.5V REG.
-18.5V REG.
470
R1094
JL1127
D1019
DZ2J120M0L
D1020
DZ2J120M0L
JL1128
10k
R1204
10k
R1205
Q1027
2SC5053T100Q
Q1029
DSA700300L
IO
G
I
O
G
IO
G
D1023
DZ2J330M0L
D1018
DZ2J140M0L
C1231
0.47
C1107
22
25V
JL1076
JL1133
JL1120
IC1014
KIA7812AF-RTF/P
IO
G
IC1015
KIA7812AF-RTF/P
IO
G
IC1016
KIA7812AF-RTF/P
D1041
DZ2J120M0L
D1042
DZ2J150M0L
D1058
DZ2J075M0L
D1057
DZ2J075M0L
C1324
0.1
D1056
DZ2J330M0L
D1055
DZ2J140M0L
C1326
0.1
C1325
0.47
C1089
0.1
10k
R1142
10k
R1141
C1366
0.47
C1327
0.47
Q1000
PROTECTION
SWITCH
2SC3722K-E
-12.6V REG.
IC1014
-25.4V REG.
IC1015
-44.5V REG.
IC1016
MOTHERBOARD
BOARD
(8/10)
(Page 37)
33
MOTHERBOARD BOARD
(7/10)
(Page 36)
32
MOTHERBOARD BOARD
(7/10)
(Page 36)
36
MOTHERBOARD BOARD (4/10)
(Page 33)
27
MOTHERBOARD BOARD
(8/10)
(Page 37)
35
+5V REG.
IC1006
-5V REG.
IC1007
CONNECT TO
SWITCHING
REGULATOR
(SMG-1800)
BOARD
MOTHERBOARD
BOARD
(10/10)
(Page 39)
34

Table of Contents

Related product manuals