EasyManua.ls Logo

Sony HCD-SHAKE7 - USB Board Schematic Diagram; USB Board Schematic Details

Sony HCD-SHAKE7
92 pages
Print Icon
To Next Page IconTo Next Page
To Next Page IconTo Next Page
To Previous Page IconTo Previous Page
To Previous Page IconTo Previous Page
Loading...
HCD-SHAKE7
HCD-SHAKE7
5050
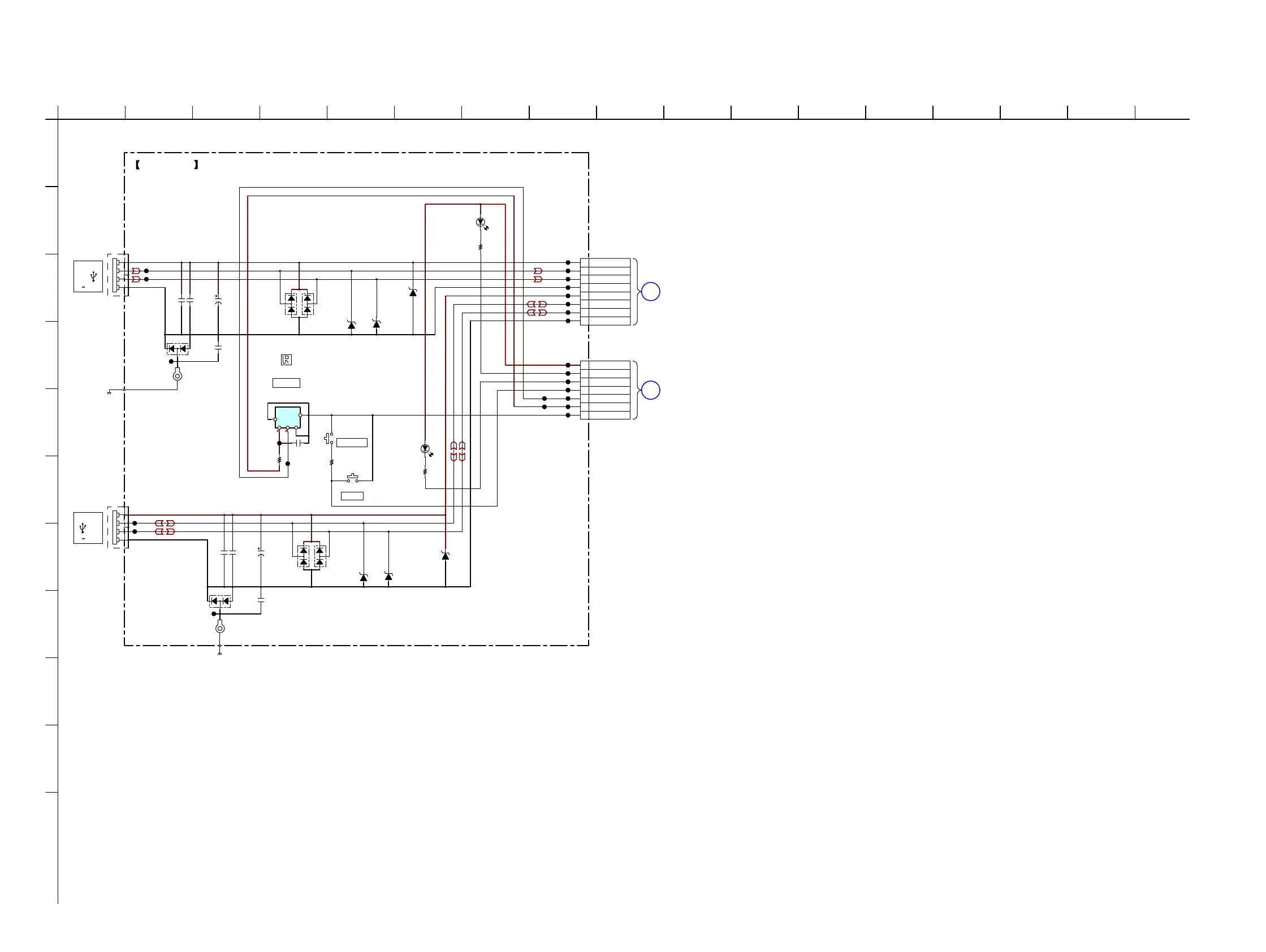
6-29. SCHEMATIC DIAGRAM - USB Board -
1
A
B
C
D
E
F
G
H
I
J
K
2 3 4 5 6 7 8 9 10 11 12 13 14 15 16 17
USB BOARD
(CHASSIS)
(CHASSIS)
JL2202
1L0352B13F0MIT02
D2201
BAV99-215
D2205
C2204 10
C2206 0.1
680
R2202
22
R2201
JL2204
DZ2J068M0L
D2210
DZ2J068M0L
D2213
C2212
100
C2202
0.22
BAV99-215
D2207
BAV99-215
D2203
JL2203
4
3
2
1
JL2225
JL2224
DZ2J068M0L
D2215
4P
CN2201
JL2205
E
ET2201
JL2201
68
R2204
68
R2203
VCC
OUT
GND
0.1
C2208
1
2
3
4
5
6
7
7P
CN2203
LED 5.2V
LED4
LED5
AD-KEY1
SIRCS
E+3.3V
DGND
JL2222
JL2217
JL2221
JL2218
JL2213
JL2219
JL2220
JL2209
JL2212
JL2216
JL2210
JL2211
JL2215
JL2214
JL2223
1
3
4
5
6
7
8
9
9P
NO2201
USB-A +5V
D-A
D+A
USB-A GND
USB-B +5V
D-B
D+B
USB-B GND
USB A
1L0352B13F0MIT02
D2202
USB B
S2201
REC TO USB
S2202
ENTER
16V
BAV99-215
D2206
C2207 10
C2209 0.1
JL2208
DZ2J068M0L
D2212
DZ2J068M0L
D2214
C2213
100
BAV99-215
D2208
BAV99-215
D2204
JL2206
4
3
2
1
DZ2J068M0L
D2216
4P
CN2202
JL2207
E
ET2202
0.1
C2211
16V
PLAY
5V 500mA
A
REC/PLAY
5V 500mA
B
3.33.3
B
MOTHERBOARD
BOARD
(9/10)
CN6
(Page 38)
G
VOLUME
BOARD
CN2602
(Page 44)
IC2201
PNA4823M01S0
REMOTE CONTROL
RECEIVER
IC2201

Table of Contents

Related product manuals