EasyManua.ls Logo

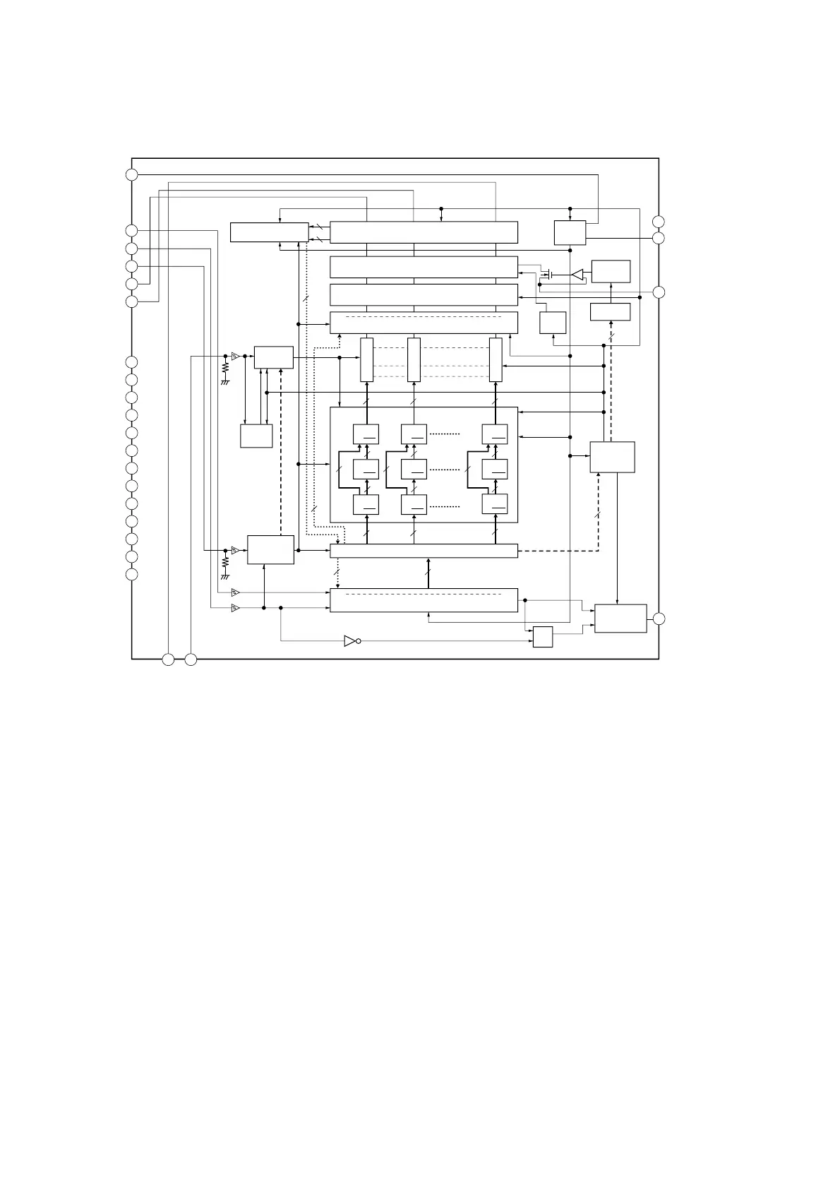
Sony HCD-SHAKE7 - Integrated Circuit Block Diagrams (Continued); LED Driver IC Block Diagram

Sony HCD-SHAKE7
92 pages
Print Icon
To Next Page IconTo Next Page
To Next Page IconTo Next Page
To Previous Page IconTo Previous Page
To Previous Page IconTo Previous Page
Loading...
HCD-SHAKE7
55
IC14 TC62D723FNG (MOTHERBOARD BOARD (9/10))
IC2601 TC62D723FNG (VOLUME BOARD)
Output open/short detection circuit
Error detection result
data register
Constant current output circuit
Output delay circuit
PWM
countor
POR
circuit
Reference
voltage
8-bit
DAC
16-bit x 2
State setting
register
SOUT
selection
circuit
F/F
TSD
circuit
POD
circuit
Output ON/OFF setting data register
PWM data registor
Data transfer control circuit
16-bit shift registor
Comparator
0-bit 15-bit
0-bit 15-bit
Registor 3
(for output)
Registor 2
(for synchronous)
Registor 1
16-bit
PWM Data
for OUT0
16-bit
PWM Data
for OUT0
16-bit
PWM Data
for OUT15
16-bit
PWM Data
for OUT15
16-bit
PWM Data
for OUT15
24 VDD
25 GND
1GND
23 REXT
22 SOUT
/OUT15
20
PWMCLK
21
/OUT0
5
/OUT1
6
TRANS
4
SIN
2
SCK
3
/OUT5
10
/OUT6
11
/OUT7
12
/OUT8
13
/OUT9 14
/OUT10
15
/OUT11
16
/OUT12
17
/OUT13
18
/OUT14
19
/OUT4
9
/OUT2
7
/OUT3
8
8
16 1616
16 1616
16
16
16
16
16-bit
PWM Data
for OUT1
16-bit
PWM Data
for OUT1
16-bit
PWM Data
for OUT0
16 1616
16
16
1616
16
16
16
16-bit
PWM Data
for OUT1
16 16
Command
control
circuit
Comparator
Comparator

Table of Contents

Related product manuals