EasyManua.ls Logo

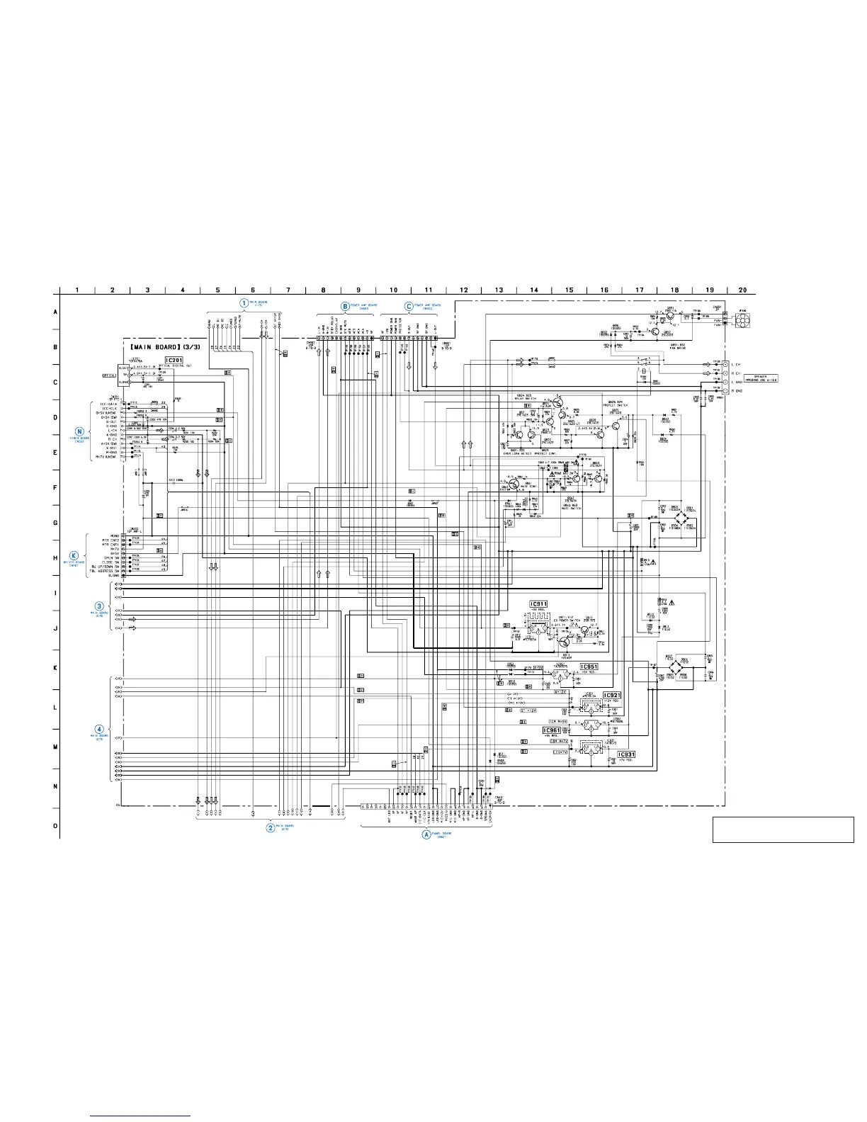
Sony HCD-VX88 - 7-12. SCHEMATIC DIAGRAM - MAIN (3;3) SECTION -; 【MAIN BOARD】 (3;3)

Sony HCD-VX88
84 pages
Print Icon
To Next Page IconTo Next Page
To Next Page IconTo Next Page
To Previous Page IconTo Previous Page
To Previous Page IconTo Previous Page
Loading...
HCD-VX88
3737
7-12. SCHEMATIC DIAGRAM – MAIN (3/3) SECTION –
Voltages and waveforms are dc with respect to ground
under no-signal conditions.
no mark : CD (STOP)
( ) : REC
< > : TAPE PB
The components identified by mark 0 or dotted
line with mark 0 are critical for safety.
Replace only with part number specified.
(Page 33)
(Page
45)
(Page 36)
(Page 36)
(Page 36)
(Page 41)
(Page 35)
(Page 39)
(Page 39)

Related product manuals