EasyManua.ls Logo

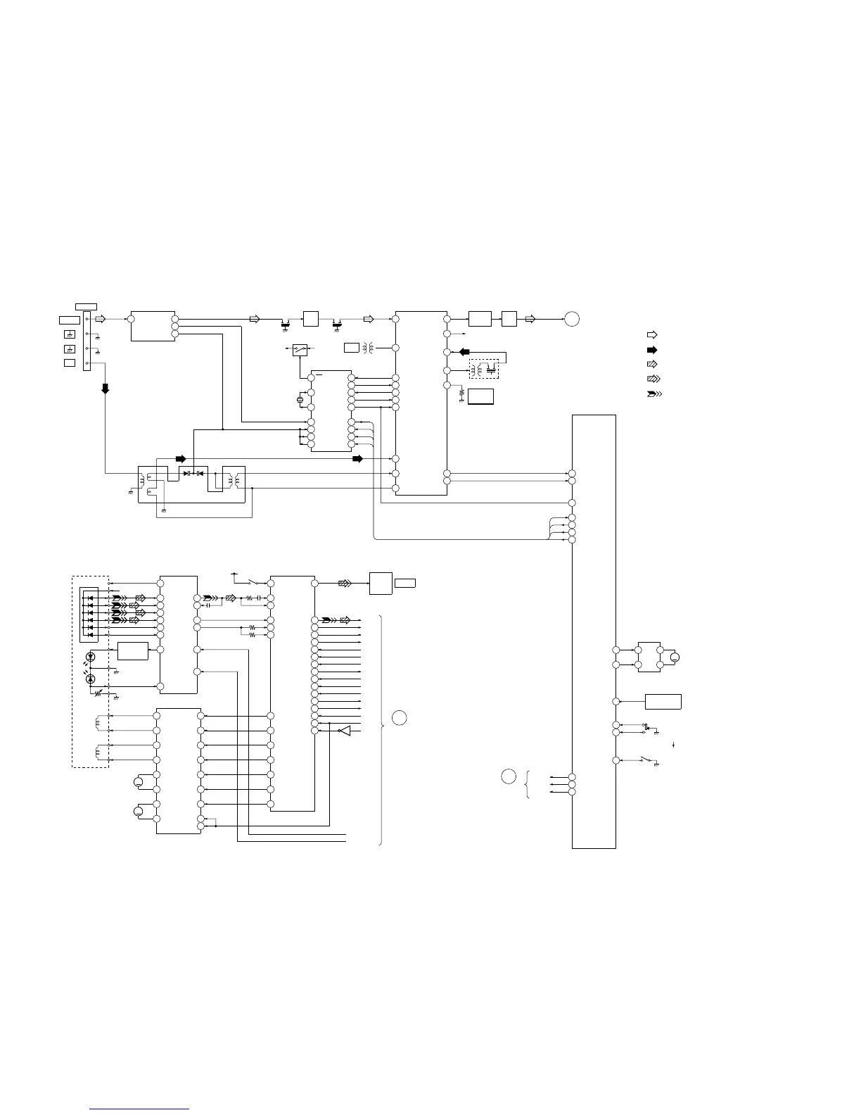
Sony HCD-VX88 - 7-2. BLOCK DIAGRAMS; -TUNER;CD SECTION -; VIDEO SECTION

Sony HCD-VX88
84 pages
Print Icon
To Next Page IconTo Next Page
To Next Page IconTo Next Page
To Previous Page IconTo Previous Page
To Previous Page IconTo Previous Page
Loading...
HCD-VX88
2525
: FM
: AM
: CD (AUDIO)
• Signal Path
• R-CH: Same as L-CH.
: DIGITAL OUT
: CD (VIDEO)
FM 75
AM
ANTENNA
ANT IN
8
1
IF OUT
3
F OUT
4
VT
FE602
FM FRONT-END
+B A+12V
Q602
FM
10
FM OSC
15
VT1 IN
18
VT1
17
PD1
19
PLL
IC651
12
FM/AM IF
7
FM
14
AM OSC
2VCO STOP
8IF REQ
6DO
4DI
5
CL
3
CE
XIN
1
XOUT
24
X651
4.5MHz
IF
AMP
Q601
NULL
T601
B+ SWITCH
CF601 CF602
DO
CL
CE
1
13
3
4
55
122
14
1511
67
9
RB641
AM FRONT-END
19
AM MIX OUT
IF OUT
9
AM/FM
12
AM OSC OUT
24
VCO STOP
13
IF REQ MUTE
8
AM RF IN
20
AM OSC
22
V REG
23
FM DET
5
FM IF
1
AM/FM IF MPX
IC601
11
L OUT
10
R OUT
BUFFER
Q611
LPF601
LPF
18AM IF IN
IFT601
R-CH
A
MAIN
SECTION
6
TUNED
7
STEREO
3
FM SD ADJ
RV611
ST MUTE
22
ST CE
25
ST CLK
28
ST DOUT
26
ST DIN
27
STEREO
23
TUNED
24
SYSTEM CONTROLLER
IC401(1/2)
DO
CL
CE
DI
DI
OPTICAL PICK-UP
BLOCK
(KSS-213D/ZN)
A
B
C
D
E
F
LD
VC
+5V
GND
PD
VR
AUTOMATIC
POWER
CONTROL
FOCUS
COIL
TRACKING
COIL
05
Q101
RF AMP
IC103
VC
12
A
5
B
6
C
7
D
8
E
11
F
10
LD
3
PD
4
IC102
IC104
MOTOR/COIL DRIVE
VO1 (+)
14
VO1 (–)
VO2 (+)
VO2 (–)
13
12
11
16
15
M
M102
(SLED)
18
17
M
M101
(SPINDLE)
F+
F-
T+
T-
2
OPIN1 (+)
OPIN1 (–)
OPIN2 (+)
OPIN2 (–)
OPIN4 (+)
OPIN3 (–)
3
5
6
26
27
23
20
MDP
25
SFDR
29
SRDR
30
TRDR
32
TFDR
31
FRDR
34
FFDR
33
STBY1
STBY2
DIGITAL SIGNAL PROCESSOR,
D/A CONVERTER
IC101
DIGITAL SERVO,
64
D OUT
RFAC
50
17
RFI
16
RFO
14
FE
13
TE
22LD ON
21HOLD SW
RFDC
43
FE
39
TE
41
SE
40
67
65
14
SSTP
26
DIGITAL
OUT
OPTICAL
OPTICAL
IC201
4
B
VIDEO
SECTION
L-CH
5
6
7
8
3
69
15
76
77
71
2
66
S101
A+5V
(LIMIT)
IIC-DATA
30
IIC-CLK
29
XRST
I
2
C-DATA
I
2
C-CLK
XRST
43
A DATA
B CLK
L RCK
C2PO
DATA
XLT
CLK
SENS
S CLK
MUTE
CTRL1
SCOR
SUBQ
SQCK
XRST
MCK
PCMD
B CLK
L RCK
C2PO
DATA
XLAT
CLOK
SENS
S CLK
MUTE
XTSL
SCOR
SQSO
SQCK
XRST
XTAI
LPH
LD ON
TABLE ADDRESS
SENSOR
49
T SENS
IC711
48
BU UP/DOWN SW
46OPEN SW
47CLOSE SW
44
MTR CNT2
(OPEN/CLOSE)
S701
(BU UP/DOWN)
OPEN
CLOSE
S711
45MTR CNT1
MOTOR
DRIVE
9
7
4
2
M
IC701
(TURN)
M721
(Page 27)
(Page 26)
9
VO3 (–)
VO3 (+)
VO4 (–)
VO4 (+)
OPIN4 (–)
C
VIDEO
SECTION
(Page 26)
FM TUNED
LEVEL
TM601
7-2. BLOCK DIAGRAMS
TUNER/CD SECTION –

Related product manuals