EasyManua.ls Logo

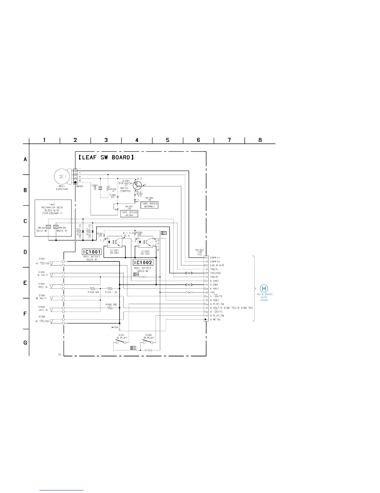
Sony HCD-VX88 - 7-18. SCHEMATIC DIAGRAM - LEAF SW SECTION -; 【LEAF SW BOARD】

Sony HCD-VX88
84 pages
Print Icon
To Next Page IconTo Next Page
To Next Page IconTo Next Page
To Previous Page IconTo Previous Page
To Previous Page IconTo Previous Page
Loading...
HCD-VX88
4343
7-18. SCHEMATIC DIAGRAM – LEAF SW SECTION –
Voltages and waveforms are dc with respect to ground
under no-signal conditions.
no mark : PB (DECK-A)
( ) : PB (DECK-B)
(Page 36)

Related product manuals