EasyManua.ls Logo

Sony HCD-VX880AV - Schematic Diagram - Deck Section

Sony HCD-VX880AV
88 pages
Print Icon
To Next Page IconTo Next Page
To Next Page IconTo Next Page
To Previous Page IconTo Previous Page
To Previous Page IconTo Previous Page
Loading...
HCD-VX880AV
30
30
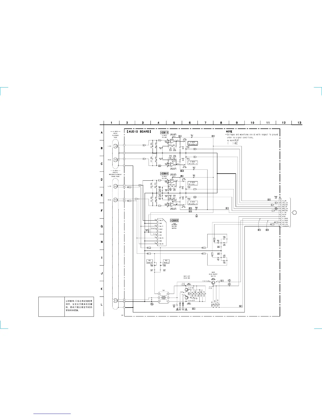
6-5. SCHEMATIC DIAGRAM – DECK SECTION –
• See page 50 for IC Block Diagrams.
(Page 36)
MAIN
BOARD
(2/4)
B
Note:
The components iden-
tified by mark ! or dot-
ted line with mark !
are critical for safety.
Replace only with part
number specified.
Note:

Table of Contents

Related product manuals