EasyManua.ls Logo

Sony HCD-VX880AV - Schematic Diagram - Front Amp Section

Sony HCD-VX880AV
88 pages
Print Icon
To Next Page IconTo Next Page
To Next Page IconTo Next Page
To Previous Page IconTo Previous Page
To Previous Page IconTo Previous Page
Loading...
HCD-VX880AV
46
46
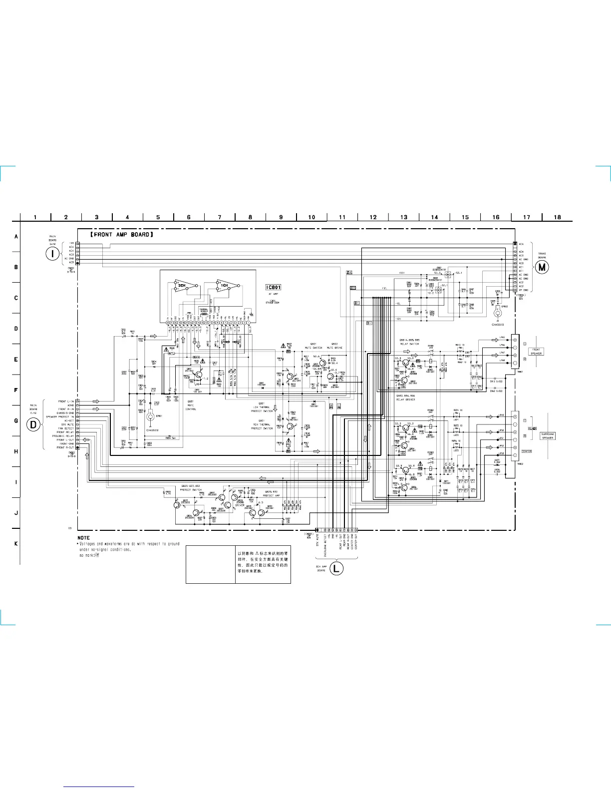
6-26. SCHEMATIC DIAGRAM – FRONT AMP SECTION –
(Page 38)
(Page 35)
(Page 44)
(Page 45)
Note:
The components iden-
tified by mark ! or dot-
ted line with mark !
are critical for safety.
Replace only with part
number specified.
Note:

Table of Contents

Related product manuals