EasyManua.ls Logo

Sony HCD-VX880AV - Schematic Diagram - CD Motor Section

Sony HCD-VX880AV
88 pages
Print Icon
To Next Page IconTo Next Page
To Next Page IconTo Next Page
To Previous Page IconTo Previous Page
To Previous Page IconTo Previous Page
Loading...
HCD-VX880AV
48
48
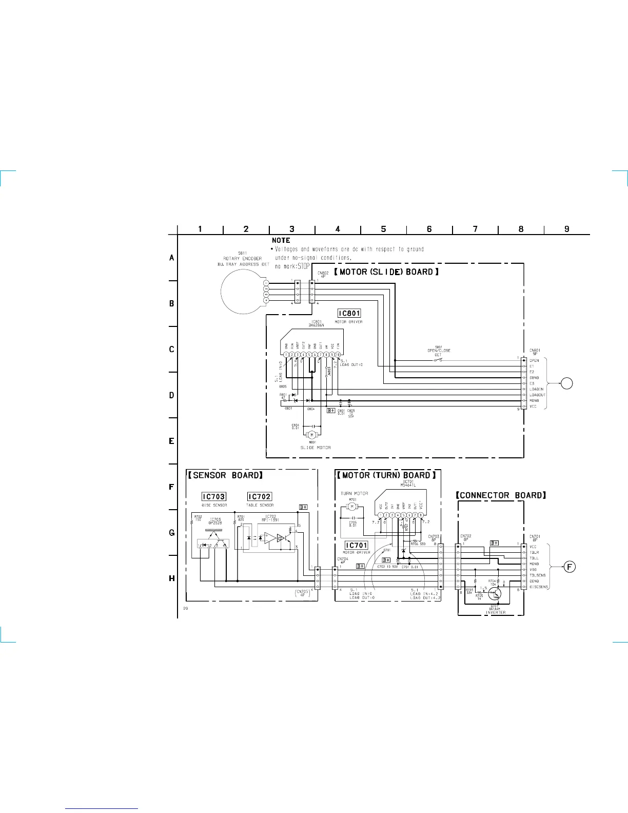
6-28. SCHEMATIC DIAGRAM – CD MOTOR SECTION –
• See page 51 for IC Block Diagrams.
(Page 48)
MAIN
BOARD
(2/4)
(Page 36)
MAIN
BOARD
(2/4)
1SS119
1SS119
MTZJ-T-72-5.6C (M)
MTZJ-T-72-3.6C (M)
G

Table of Contents

Related product manuals