EasyManua.ls Logo

Sony HCD-VX880AV - Front Panel Section

Sony HCD-VX880AV
88 pages
Print Icon
To Next Page IconTo Next Page
To Next Page IconTo Next Page
To Previous Page IconTo Previous Page
To Previous Page IconTo Previous Page
Loading...
65
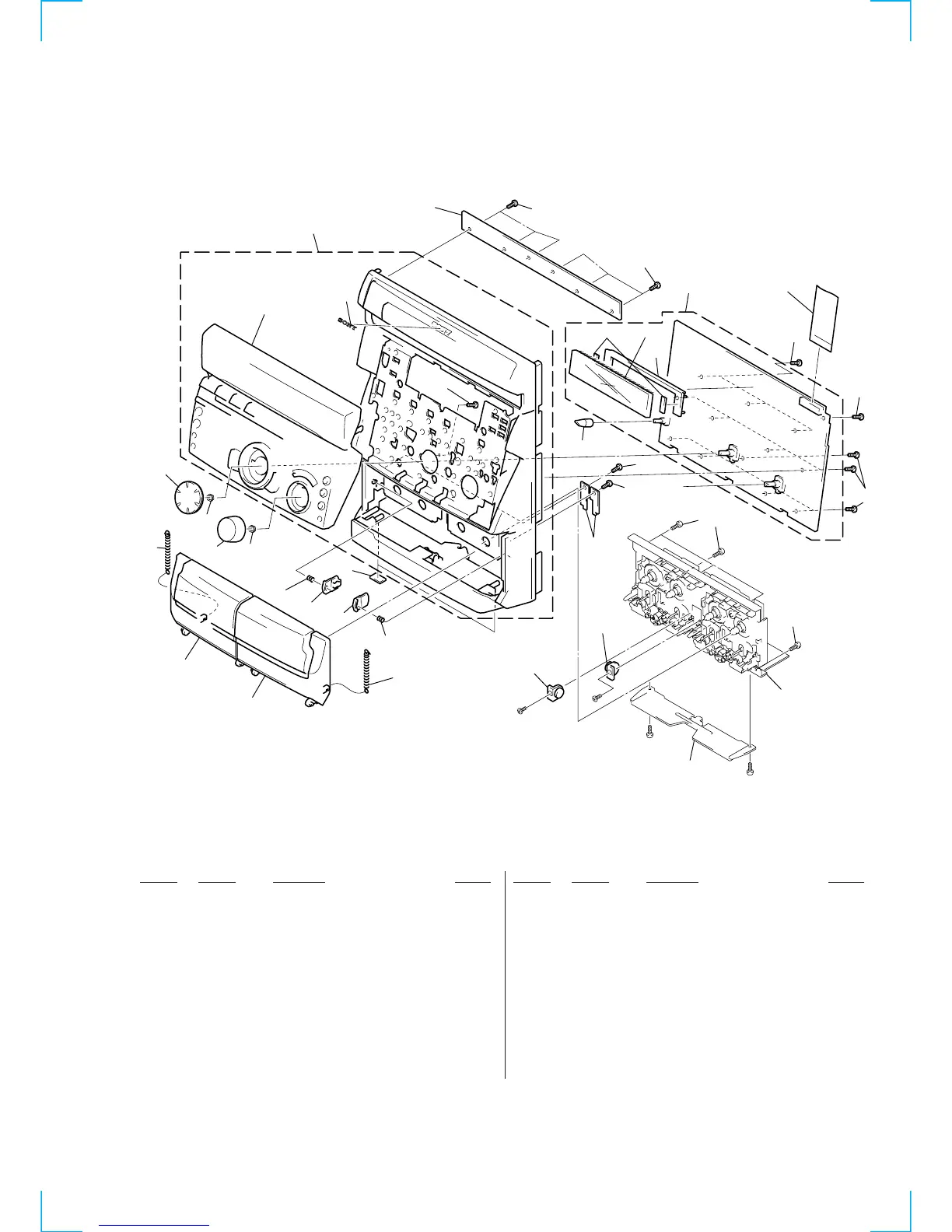
7-3. FRONT PANEL SECTION
109
109
109
108
115
FL601
not supplied
109
109
110
110
121
#5
Supplied with
S601
Supplied with
S602
#5
#11
#11
TCM230AWR2
105
105
106
108
119
112
113
107
101
103
104
111
102
114
118
109
109
109
116
117
120
109
109
Ref. No. Part No. Description Remark Ref. No. Part No. Description Remark
101 X-4950-697-1 HOLDER (L) ASSY, CASSETTE
102 X-4951-068-2 HOLDER (R) ASSY, CASSETTE
103 4-214-760-11 CATCHER (A), PUSH
104 4-214-761-11 CATCHER (B), PUSH
105 4-214-775-13 SPRING, PUSH CATCHER RETURN
106 4-214-383-11 KNOB (JOG)
107 4-214-384-11 KNOB (VOL)
108 4-219-087-01 SPRING, TENSION
109 4-951-620-01 SCREW (2.6X8), +BVTP
110 4-215-062-01 DAMPER
111 4-988-663-01 FOOT (FELT)
112 4-962-708-81 EMBLEM (4-A), SONY
113 X-4952-128-1 PANEL ASSY, FRONT
114 A-4426-760-A CD SW BOARD, COMPLETE
115 4-214-385-11 KNOB (MIC)
116 1-773-189-11 WIRE (FLAT TYPE) (23 CORE)
* 117 4-214-439-11 HOLDER, FL TUBE
118 A-4426-782-A PANEL BOARD, COMPLETE
119 X-4952-129-1 PANEL ASSY, SUB
120 4-949-935-41 CUSHION (FL)
121 1-674-232-11 PUSH CATCH STOP BOARD
FL601 1-517-831-31 INDICATOR TUBE, FLUORESCENT

Table of Contents

Related product manuals